Запчасти Komatsu WA600-1LC МАСЛ. ОБОГРЕВАТЕЛЬ. (ДЛЯ EXTREME МОРОЗОУСТОЙЧИВ. СПЕЦ-Я) ТРАНСМИССИЯ ОБОГРЕВАТЕЛЬ. КОМПОНЕНТЫ ДВИГАТЕЛЯ & ЭЛЕКТРИКА

Схема запчастей Komatsu WA600-1LC - МАСЛ. ОБОГРЕВАТЕЛЬ. (ДЛЯ EXTREME МОРОЗОУСТОЙЧИВ. СПЕЦ-Я) ТРАНСМИССИЯ ОБОГРЕВАТЕЛЬ. КОМПОНЕНТЫ ДВИГАТЕЛЯ & ЭЛЕКТРИКА
7
6
5
8
11
1
3
4
4
3
1
8
5
2
1
8
9
10
FIT
1:1
100%

Артикул

Название

Примечание

Количество

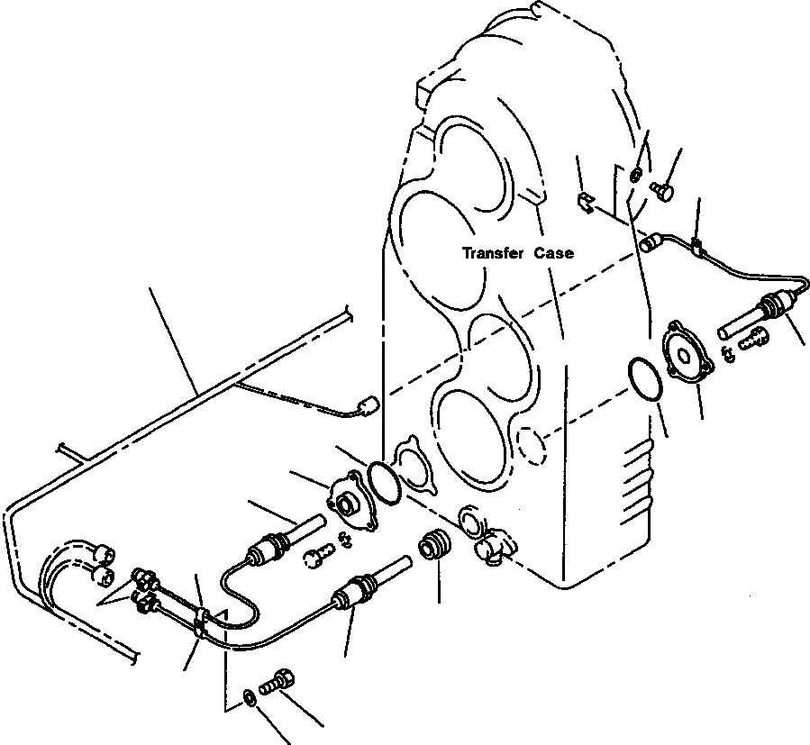
1

600-815-6330

HEATER, TRANSMISSION

3шт.

2

426-Z91-1220

PLUG

1шт.

3

426-Z91-1210

COVER

2шт.

4

07000-02115

O-RING

2шт.

5

0805201711

CLIP

3шт.

6

01010-50610

BOLT

3шт.

7

01602-20609

WASHER, SPRING

3шт.

8

08036-00810

CLIP

3шт.

9

01010-51016

BOLT

3шт.

10

01643-31032

WASHER

3шт.

11

HARNESS, OIL HEATER (SEE PG 01-102)

-29шт.

Выбрано товаров: 11