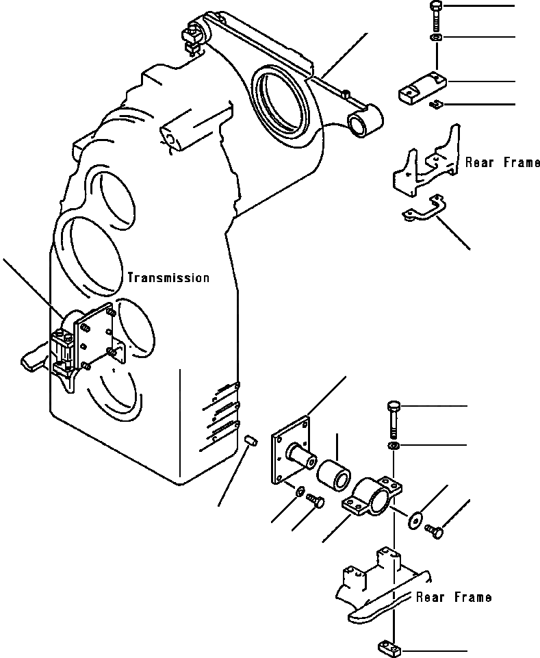
Запчасти Komatsu WA600-1LC КРЕПЛЕНИЕ ТРАНСМИССИИ ГИДРОТРАНСФОРМАТОР И ТРАНСМИССИЯ

Схема запчастей Komatsu WA600-1LC - КРЕПЛЕНИЕ ТРАНСМИССИИ ГИДРОТРАНСФОРМАТОР И ТРАНСМИССИЯ
15
12
16
13
8
17
1
9
5
10
7
6
2
3
8
11
4
14
FIT
1:1
100%

Артикул

Название

Примечание

Количество

1

426-14-11120

PLATE, TRANSFER CASE MOUNT

2шт.

2

04020-01228

PIN, DOWEL

4шт.

3

01010-31645

BOLT, MOUNTING PLATE

8шт.

4

01643-31645

WASHER

8шт.

5

566-14-41130

CUSHION

2шт.

6

01010-31625

BOLT

2шт.

7

566-14-41170

WASHER

2шт.

8

566-14-41160

BRACKET

2шт.

9

01011-31620

BOLT

8шт.

10

01643-31645

WASHER

8шт.

11

421-14-11160

SEAT

4шт.

12

426-14-11111

TRUNNION, TRANSMISSION MOUNT

1шт.

13

566-14-51152

CUSHION

2шт.

14

426-14-11130

SHIM, 0.5mm

-2шт.

15

01010-31480

BOLT, CUSHION MOUNTING

4шт.

16

01643-31445

WASHER

4шт.

17

421-14-11130

PLATE

2шт.

Выбрано товаров: 17