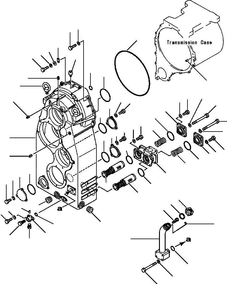
Запчасти Komatsu WA600-1LC ТРАНСМИССИЯ КОРПУС ПЕРЕДАЧИ ГИДРОТРАНСФОРМАТОР И ТРАНСМИССИЯ

Схема запчастей Komatsu WA600-1LC - ТРАНСМИССИЯ КОРПУС ПЕРЕДАЧИ ГИДРОТРАНСФОРМАТОР И ТРАНСМИССИЯ
36
37
38
39
3
6
5
2
35
7
19
17
2
19
11
10
18
8
16
9
13
18
17
19
15
10
19
11
8
1
9
13
17
19
2
16
13
15
9
8
12
11
10
13
31
32
21
33
26
25
20
22
27
23
28
30
29
41
4
24
40
41
4
14
14
34
FIT
1:1
100%

Артикул

Название

Примечание

Количество

|$0

TRANSMISSION ASSEMBLY (SEE PG 02-014)

-29шт.

|$1

426-15-00170

CASE ASSEMBLY, TRANSFER

1шт.

1

NSS

CASE, TRANSFER

1шт.

2

07042-20108

PLUG

3шт.

3

07030-10252

BREATHER

1шт.

4

07043-02026

PLUG

2шт.

5

07000-02145

O-RING, TRANSFER CASE

1шт.

6

07000-73040

O-RING, TRANSFER CASE

1шт.

7

04530-02438

BOLT, EYE

2шт.

8

425-15-13450

COVER

3шт.

9

07000-02115

O-RING, COVER

3шт.

10

01010-51230

BOLT, MOUNT COVER

9шт.

11

01602-21236

WASHER

9шт.

12

426-15-13712

FLANGE

1шт.

13

07000-02100

O-RING, FLANGE

4шт.

14

425-15-11710

MAGNET ASSEMBLY

2шт.

15

287-15-11560

SPRING

2шт.

16

426-15-13721

COVER

2шт.

17

01010-51230

BOLT, MOUNT FLANGE

8шт.

18

01011-51225

BOLT, MOUNT FLANGE

4шт.

19

01643-31232

WASHER

12шт.

|$21

426-60-15150

VALVE ASSEMBLY, DRAIN PLUG

1шт.

20

NSS

BODY, VALVE

1шт.

21

04020-00514

PIN, DOWEL

1шт.

22

NSS

VALVE

1шт.

23

426-60-15160

PLUG, DRAIN

1шт.

24

07000-73028

O-RING, DRAIN PLUG VALVE BODY

1шт.

25

01010-51030

BOLT, MOUNT VALVE ASSEMBLY

2шт.

26

01602-21030

WASHER, LOCK

2шт.

27

426-15-18111

TUBE, FILLER NECK

1шт.

28

07000-33048

O-RING, FILLER TUBE

1шт.

29

01011-51210

BOLT, MOUNT FILLER TUBE

4шт.

30

01643-31232

WASHER

4шт.

31

07051-00000

CAP, FILLER TUBE

1шт.

32

07051-00003

GASKET, FILLER CAP

1шт.

33

07056-10045

STRAINER, FILLER TUBE

1шт.

34

426-15-18140

GAUGE, OIL LEVEL

1шт.

35

04020-01228

PIN, DOWEL

2шт.

36

426-15-19610

O-RING, TRANSFER CASE

1шт.

37

426-15-18210

PLATE

1шт.

38

01640-21223

WASHER

1шт.

39

01010-51240

BOLT, MOUNT PLATE

1шт.

40

01010-51235

BOLT, TRANSFER CASE TO TRANSMISSION CASE

13шт.

41

01643-31232

WASHER

14шт.

N/I

SERVICE KIT, TRANSMISSION (SEE PG 02-060)

-29шт.

|$47

-1шт.

|$46

F1 - INCLUDED IN SERVICE KIT 426-15-05200.

-1шт.

|$48

-1шт.

Выбрано товаров: 48