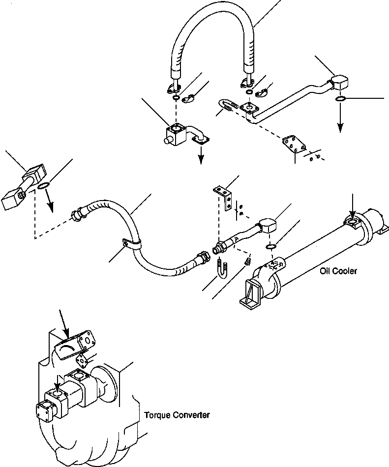
Запчасти Komatsu WA600-1LC ГИДРОЛИНИЯ ТРАНСМИССИИ ГИДРОТРАНСФОРМАТОР - МАСЛООХЛАДИТЕЛЬ - НАСОС ГИДРОТРАНСФОРМАТОР И ТРАНСМИССИЯ

Схема запчастей Komatsu WA600-1LC - ГИДРОЛИНИЯ ТРАНСМИССИИ ГИДРОТРАНСФОРМАТОР - МАСЛООХЛАДИТЕЛЬ - НАСОС ГИДРОТРАНСФОРМАТОР И ТРАНСМИССИЯ
11
16
16
15
15
17
10
12
2
1
13
9
3
5
6
8
7
4
14
A
A
C
C
B
B
FIT
1:1
100%

Артикул

Название

Примечание

Количество

|$0

LINE - TORQUE CONVERTER TO OIL COOLER

-1шт.

1

07000-33038

O-RING

1шт.

2

426-16-11730

TUBE

1шт.

|$3

01010-51085

BOLT, TUBE TO TORQUE CONVERTER

4шт.

|$4

01643-31032

WASHER

4шт.

3

07102-21412

HOSE

1шт.

4

19M-60-12720

CLIP, HOSE

1шт.

|$7

01010-51020

BOLT, HOSE CLIP

1шт.

|$8

01643-31032

WASHER

1шт.

5

426-16-11173

TUBE

1шт.

|$10

01010-51260

BOLT, TUBE TO OIL COOLER

2шт.

|$11

01010-51070

BOLT, TUBE TO OIL COOLER

2шт.

|$12

01643-31232

WASHER

4шт.

6

07000-33045

O-RING

1шт.

7

07042-20108

PLUG

1шт.

8

07283-34354

U-BOLT, CLAMP

1шт.

|$16

01643-31032

WASHER

2шт.

|$17

01599-01011

NUT, U-BOLT

2шт.

9

426-16-11470

BRACKET, CLAMP TUBE

1шт.

|$19

01010-51025

BOLT, BRACKET

2шт.

|$20

01643-31032

WASHER

2шт.

|$40

-1шт.

|$22

LINE - OIL COOLER TO PUMP

-1шт.

10

07000-33045

O-RING

1шт.

11

426-16-11590

TUBE

1шт.

|$25

01010-51260

BOLT, TUBE TO OIL COOLER

2шт.

|$26

01010-51070

BOLT, TUBE TO OIL COOLER

2шт.

|$27

01643-31232

WASHER

4шт.

12

07283-34354

U-BOLT, CLAMP

1шт.

|$29

01643-31032

WASHER

2шт.

|$30

01599-01011

NUT, U-BOLT

2шт.

13

426-03-11550

BRACKET, CLAMP TUBE

1шт.

|$32

01010-51025

BOLT, BRACKET

2шт.

|$33

01643-31032

WASHER

2шт.

14

07114-01415

HOSE

1шт.

15

07371-31465

FLANGE, SPLIT

4шт.

|$36

07372-21240

BOLT, SPLIT FLANGE

8шт.

|$37

01643-51232

WASHER

8шт.

16

07000-33048

O-RING

2шт.

17

TUBE, AT PUMP (SEE PG 02-072)

-29шт.

Выбрано товаров: 40