Запчасти Komatsu WA600-1LE УПРАВЛ-Е ТРАНСМИССИЕЙ ПЕРЕКЛЮЧАТЕЛЬ РУЛЕВ. УПРАВЛЕНИЕ СИСТЕМА УПРАВЛЕНИЯ

Схема запчастей Komatsu WA600-1LE - УПРАВЛ-Е ТРАНСМИССИЕЙ ПЕРЕКЛЮЧАТЕЛЬ РУЛЕВ. УПРАВЛЕНИЕ СИСТЕМА УПРАВЛЕНИЯ
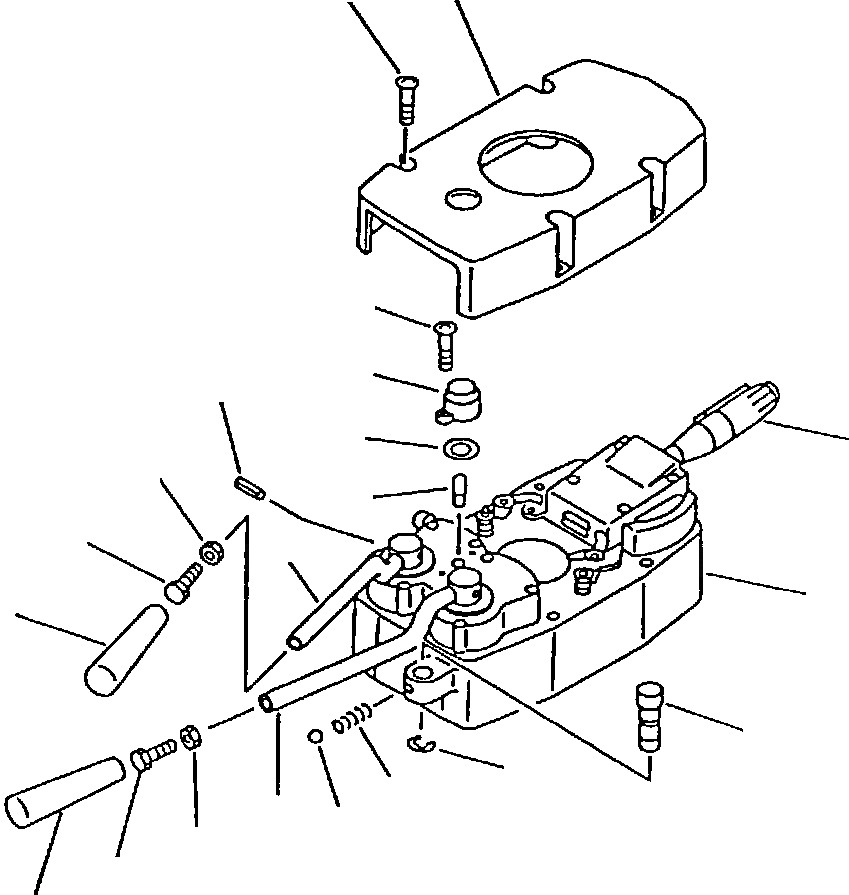
20
21
19
17
11
18
2
6
16
5
3
1
4
14
15
12
7
13
10
9
8
FIT
1:1
100%

Артикул

Название

Примечание

Количество

|$0

421-06-11605

SWITCH ASSEMBLY

1шт.

1

NSS

SWITCH ASSEMBLY

1шт.

2

421-06-18220

KNOB, LAMP AND TURN SIGNAL

1шт.

3

421-06-18191

LEVER ASSEMBLY, TRANSMISSION F-R

1шт.

4

421-06-18160

KNOB

1шт.

5

421-06-18230

BOLT

1шт.

6

421-06-18240

NUT

1шт.

7

421-06-18211

LEVER ASSEMBLY, TRANSMISSION SPEED

1шт.

8

421-06-18160

KNOB

1шт.

9

421-06-18230

BOLT

1шт.

10

421-06-18240

NUT

1шт.

11

04025-00520

PIN, SPRING

2шт.

12

421-06-18120

SPRING

1шт.

13

04260-00317

BALL

1шт.

14

421-06-18110

PIN, LOCK

1шт.

15

421-06-18130

RING, E

1шт.

16

7815-11-1010

BULB - 2W

1шт.

17

421-06-18170

LENS, HAZARD PILOT

1шт.

18

421-06-18180

PACKING

1шт.

19

01220-40310

SCREW

2шт.

20

421-06-18140

COVER

1шт.

21

421-06-18150

SCREW

4шт.

Выбрано товаров: 22