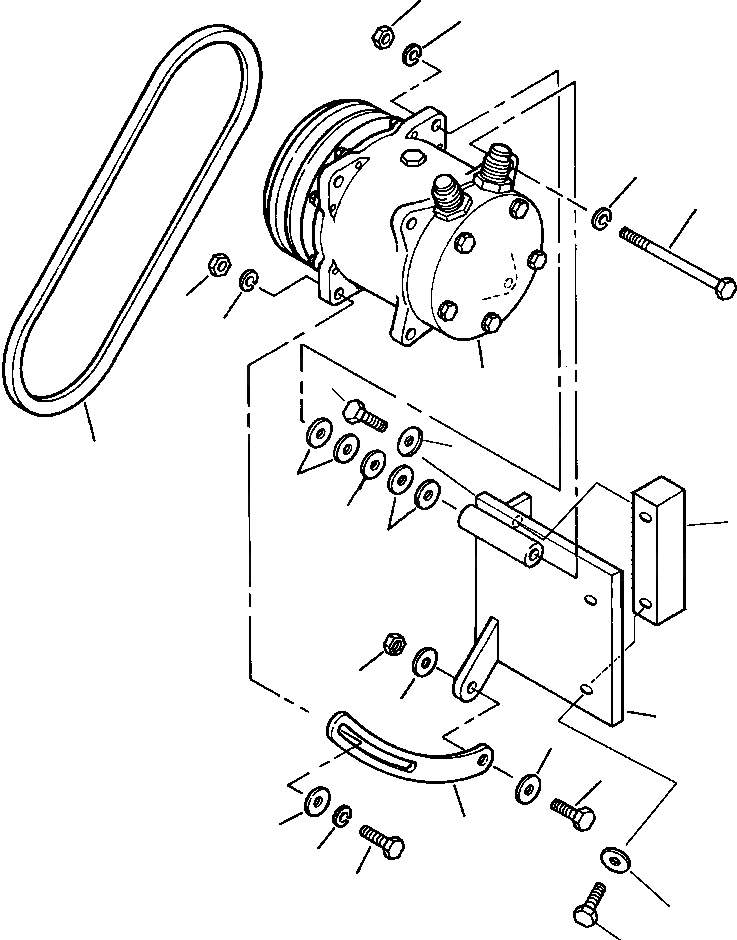
Запчасти Komatsu WA600-1LE КОНДИЦ. ВОЗДУХА КОМПРЕССОР КРЕПЛЕНИЕ РАМА, ЧАСТИ КОРПУСА & SUPERSTRUCTURE

Схема запчастей Komatsu WA600-1LE - КОНДИЦ. ВОЗДУХА КОМПРЕССОР КРЕПЛЕНИЕ РАМА, ЧАСТИ КОРПУСА & SUPERSTRUCTURE
7
6
6
5
16
15
1
19
20
4
10
9
18
8
13
12
2
12
11
3
17
15
14
22
21
FIT
1:1
100%

Артикул

Название

Примечание

Количество

1

425-963-A230

COMPRESSOR ASSEMBLY

1шт.

2

426-963-A120

BRACKET, COMPRESSOR

1шт.

3

426-963-A260

ARM, TENSIONER

1шт.

4

425-963-A240

V-BELT, 43 1/2 IN

1шт.

5

01011-51030

BOLT

1шт.

6

01643-31032

WASHER

2шт.

7

01598-11011

NUT, NYLON LOCK

1шт.

8

425-963-A410

SHIM, .015 IN

2шт.

9

425-963-A420

SHIM, .010 IN

1шт.

10

425-963-A430

SHIM, .005 IN

2шт.

11

01010-51030

BOLT

1шт.

12

01643-31032

WASHER

2шт.

13

01580-11008

NUT

1шт.

14

01010-50835

BOLT

1шт.

15

01643-30823

WASHER

2шт.

16

01580-10806

NUT

1шт.

17

425-963-A250

BUSHING

1шт.

18

426-963-A140

BAR, MOUNTING

1шт.

19

01011-51030

BOLT

2шт.

20

01643-31032

WASHER

2шт.

21

01011-51030

BOLT

2шт.

22

01643-31032

WASHER

2шт.

N/I

425-963-A260

DECAL, WARNING

1шт.

N/I

425-963-A460

WIRE, ADAPTER

1шт.

Выбрано товаров: 0