Запчасти Komatsu WA600-1LE КОНДИЦ. КОНДЕНСАТОР РАМА, ЧАСТИ КОРПУСА & SUPERSTRUCTURE

Схема запчастей Komatsu WA600-1LE - КОНДИЦ. КОНДЕНСАТОР РАМА, ЧАСТИ КОРПУСА & SUPERSTRUCTURE
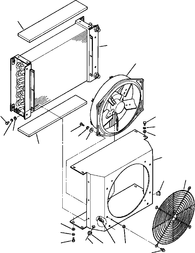
14
13
3
12
12
11
9
10
10
8
11
7
14
4
1
17
10
11
12
5
2
15
6
16
FIT
1:1
100%

Артикул

Название

Примечание

Количество

|$0

425-963-A020

CONDENSER ASSEMBLY

1шт.

1

425-963-AC50

GUARD, FAN

1шт.

2

425-963-A820

ANCHOR, WIRE TIE

1шт.

3

425-963-AD80

FAN ASSEMBLY

1шт.

4

425-963-A650

HOUSING, CONDENSER WELDMENT

1шт.

5

425-963-AB40

GROMMET

1шт.

6

425-963-A830

NUT, M8 X 1 1/4 ACORN

4шт.

7

01643-50823

WASHER, 8MM FLAT

4шт.

8

01602-20825

WASHER, 8MM LOCKING

4шт.

9

01010-50820

BOLT, M8 X 1 1/4 X 20 HEX

4шт.

10

147 579

WASHER, 3/16 FLAT

14шт.

11

120 380

WASHER, 1/4 LOCKING

14шт.

12

01010-50610

BOLT, M6 X 1 X 10 HEX

14шт.

13

425-963-AC30

COIL, CONDENSER

1шт.

14

425-963-A580

FOAM, COVER

2шт.

15

425-963-AD20

HARNESS, WIRING

1шт.

16

425-963-A730

BOLT, 1/4-20 X 3/4 FLANGE HEAD

4шт.

17

425-963-A890

PLUG, PLASTIC 9/16

1шт.

Выбрано товаров: 0