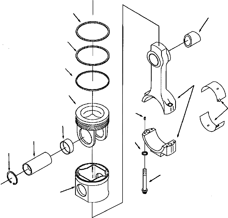
Запчасти Komatsu WA600-1LE ПОРШЕНЬ & ШАТУН БЛОК ЦИЛИНДРОВ

Схема запчастей Komatsu WA600-1LE - ПОРШЕНЬ & ШАТУН БЛОК ЦИЛИНДРОВ
8
6
7
9
4
13
1
2
12
11
3
10
5
14
FIT
1:1
100%

Артикул

Название

Примечание

Количество

1

1238 737 H1

BEARING, CONNECTING ROD

12шт.

|$1

1238 738 H1

BEARING, CONNECTING ROD - .010 OVERSIZE

-2шт.

|$2

1238 739 H1

BEARING, CONNECTING ROD - .020 OVERSIZE

-2шт.

|$3

1238 740 H1

BEARING, CONNECTING ROD - .030 OVERSIZE

-2шт.

|$4

1239 785 H91

ROD, ENGINE CONNECTING

6шт.

2

1240 038 H1

DOWEL, PIN

4шт.

3

1238 668 H1

WASHER, PLAIN (5/8 INCH)

2шт.

4

NSS

ROD, ENGINE CONNECTING

1шт.

5

1239 291 H1

BOLT

2шт.

6

1239 784 H1

BUSHING

1шт.

|$10

1307 923 H91

SET, PISTON RING

6шт.

7

1307 924 H1

RING, COMPRESSION PISTON

1шт.

8

1242 051 H1

RING, COMPRESSION PISTON

1шт.

9

1307 925 H1

RING, OIL PISTON

1шт.

10

1238 703 H1

RING, RETAINING

12шт.

11

1307 926 H1

PIN, PISTON

6шт.

|$16

1307 927 H91

PISTON, ENGINE TLA

6шт.

|$17

1307 928 H91

TOP, PISTON

1шт.

12

1307 929 H1

BUSHING

2шт.

13

1307 930 H1

TOP, PISTON

1шт.

14

1307 931 H1

SKIRT, PISTON

1шт.

|$$22

-1шт.

|$22

R1 - REMANUFACTURED ASSEMBLY AVAILABLE; REFER TO REMANUFACTURED

-1шт.

|$23

ASSEMBLIES CATALOG.

-1шт.

Выбрано товаров: 24