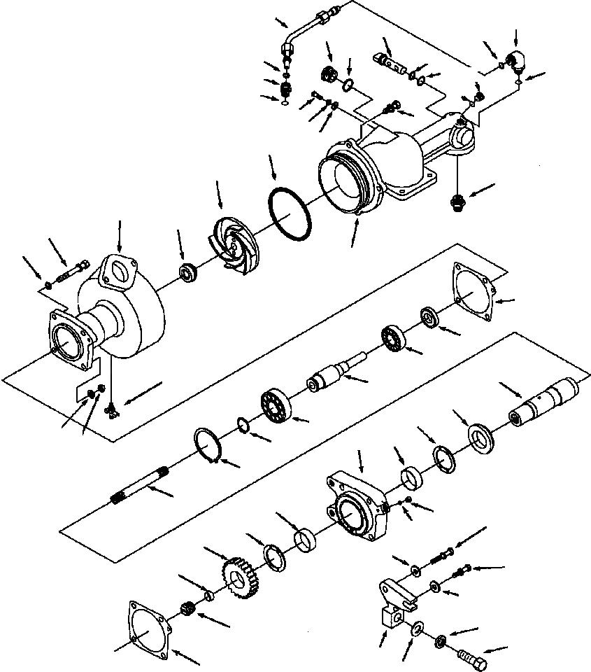
Запчасти Komatsu WA600-1LE ВОДЯНАЯ ПОМПА СИСТЕМА ОХЛАЖДЕНИЯ

Схема запчастей Komatsu WA600-1LE - ВОДЯНАЯ ПОМПА СИСТЕМА ОХЛАЖДЕНИЯ
37
35
30
34
39
38
34
40
31
28
32
33
31
31
25
11
26
27
9
23
29
21
24
7
6
36
51
20
16
45
15
22
44
43
17
4
2
46
19
49
18
8
46
47
13
43
48
42
10
12
41
10
3
50
1
14
51
5
FIT
1:1
100%

Артикул

Название

Примечание

Количество

1

1237 988 H1

BOLT (5/8 - 11x2 INCH)

1шт.

2

103 026

NUT, REGULAR HEXAGON (3/8 - 24 UNF)

1шт.

3

1238 100 H1

WASHER, LOCK (5/8 INCH)

1шт.

4

120 382

WASHER, LOCK (3/8 INCH)

1шт.

5

1238 115 H1

WASHER, PLAIN (5/8 INCH)

1шт.

6

1238 237 H1

WASHER, PLAIN (3/8 INCH)

3шт.

7

1239 271 H1

BOLT (3/8 - 16x3 INCH)

3шт.

8

1239 758 H1

SHAFT, WATER PUMP

1шт.

9

1238 331 H1

SEAL, O-RING

1шт.

10

1239 109 H1

WASHER, PLAIN

1шт.

11

140 483 H

BOLT

3шт.

12

1239 267 H1

BOLT

1шт.

13

1239 269 H1

BOLT

1шт.

|$13

1239 487 H91

PUMP, WATER

1шт.

14

1239 695 H1

BRACE, WATER PUMP

1шт.

15

1238 131 H1

DRAINCOCK

1шт.

16

1238 047 H1

BEARING, BALL

1шт.

17

1238 051 H1

BEARING, BALL

1шт.

18

1240 046 H1

RING, RETAINING

1шт.

19

1238 702 H1

RING, RETAINING

1шт.

20

1238 772 H1

SEAL, OIL

1шт.

21

1238 774 H1

BODY, WATER PUMP

1шт.

22

1239 775 H91

SHAFT, WTR PUMP

1шт.

23

1241 350 H1

IMPELLER, WATER PUMP

1шт.

24

1239 655 H2

SEAL, WATER PUMP

1шт.

25

1238 011 H1

BOLT (1/4-20x3/4 INCH)

1шт.

26

1238 098 H1

WASHER, LOCK (1/4 INCH)

1шт.

27

1238 113 H1

WASHER, PLAIN

1шт.

28

1238 715 H1

WASHER, SPRING

1шт.

29

1238 773 H1

ADAPTER, FILTER HEAD

1шт.

30

1239 206 H1

SHAFT, SHUTOFF VALVE

1шт.

|$31

1246 118 H91

PLUG, THREADED

1шт.

31

1246 119 H1

SEAL, O-RING

3шт.

32

1246 120 H1

PLUG, THREADED

1шт.

33

1310 011 H1

UNION, MALE

1шт.

34

1307 210 H1

SEAL, O-RING

2шт.

35

1310 013 H1

ELBOW, MALE UNION

1шт.

36

1310 088 H1

CONNECTION, WATER INLET

1шт.

37

1310 089 H1

TUBE, WATER TRANSFER

1шт.

|$39

1239 934 H91

PLUG, THREADED

1шт.

38

1241 503 H1

SEAL, O-RING

1шт.

39

1296 090 H1

PLUG, THREADED

1шт.

40

1240 894 H1

SEAL, O-RING

1шт.

41

1238 729 H1

PLUG, OIL

1шт.

42

1238 795 H1

GEAR, WATER PUMP

1шт.

43

1239 532 H1

BEARING, THRUST

2шт.

44

1239 678 H1

RETAINER, SHAFT

1шт.

45

1310 200 H1

SHAFT, WATER PUMP

1шт.

|$48

1310 092 H91

SUPPORT, WATER PUMP

1шт.

46

1238 681 H1

BUSHING

2шт.

|$50

1307 948 H1

PLUG, THREADED

1шт.

47

1307 948 H1

PLUG, THREADED

1шт.

48

1307 949 H1

SEAL, O-RING

1шт.

49

1310 093 H1

SUPPORT, WATER PUMP

1шт.

50

1239 891 H1

PLUG, THREADED

1шт.

51

1251 211 H1

GASKET, WATER PUMP

2шт.

|$$57

-1шт.

|$57

R1 - REMANUFACTURED ASSEMBLY AVAILABLE; REFER TO REMANUFACTURED

-1шт.

|$58

ASSEMBLIES CATALOG.

-1шт.

Выбрано товаров: 59