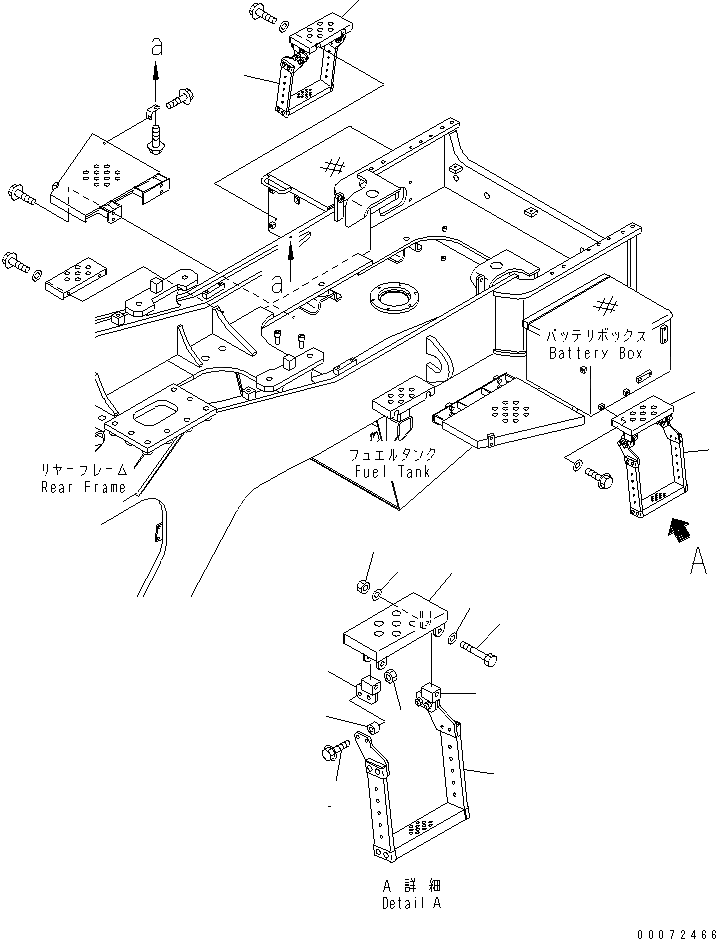
Запчасти Komatsu WA600-3 ЛЕСТНИЦА (ЗАДН. СТУПЕНИ)(№-) ЧАСТИ КОРПУСА

Схема запчастей Komatsu WA600-3 - ЛЕСТНИЦА (ЗАДН. СТУПЕНИ)(№-) ЧАСТИ КОРПУСА
1
1
1
2
2
2
3
4
5
5
6
7
8
9
10
FIT
1:1
100%

Артикул

Название

Примечание

Количество

1

426-54-24552

STEP

SN: 52406-UP

2шт.

2

426-54-24230

STEP

SN: 52406-UP

2шт.

3

01435-01250

BOLT

SN: 52406-UP

8шт.

4

01580-11210

NUT

SN: 52406-UP

8шт.

5

426-54-24520

BRACKET

SN: 52406-UP

4шт.

6

01010-81290

BOLT

SN: 52406-UP

4шт.

7

01643-31232

WASHER

SN: 52406-UP

4шт.

8

424-64-11110

SPACER

SN: 52406-UP

8шт.

9

01596-01211

NUT

SN: 52406-UP

4шт.

10

01643-31232

WASHER

SN: 52406-UP

4шт.

Выбрано товаров: 10