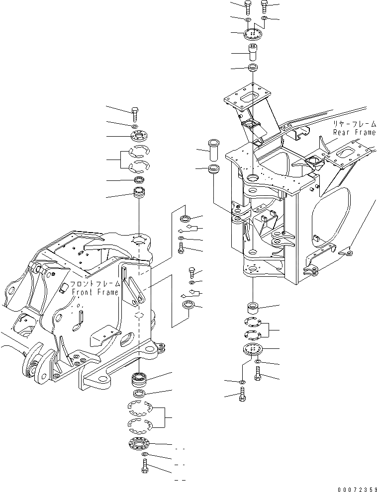
Запчасти Komatsu WA600-3 ПАЛЕЦ(ДЛЯ ПЕРЕДН. И ЗАДН. РАМА СОЕДИНЕНИЕ) (СПЕЦ-Я -40С)(№-) ОСНОВНАЯ РАМА И ЕЕ ЧАСТИ

Схема запчастей Komatsu WA600-3 - ПАЛЕЦ(ДЛЯ ПЕРЕДН. И ЗАДН. РАМА СОЕДИНЕНИЕ) (СПЕЦ-Я -40С)(№-) ОСНОВНАЯ РАМА И ЕЕ ЧАСТИ
1
2
3
4
5
6
7
8
9
10
11
12
13
14
15
16
17
18
19
20
21
22
23
24
25
26
27
28
29
30
31
32
33
34
35
36
FIT
1:1
100%

Артикул

Название

Примечание

Количество

1

425-46-11560

BEARING

SN: 52406-UP

1шт.

2

426-09-11330

SEAL

SN: 52406-UP

1шт.

3

426-46-11530

PLATE

SN: 52406-UP

2шт.

4

01010-80616

BOLT

SN: 52406-UP

4шт.

5

01643-30623

WASHER

SN: 52406-UP

4шт.

6

426-46-11251

SHIM, 0.1MM

SN: 52406-UP

8шт.

6

426-46-11261

SHIM, 0.5MM

SN: 52406-UP

8шт.

7

01010-31655

BOLT

SN: 52406-UP

6шт.

8

01643-31645

WASHER

SN: 52406-UP

6шт.

9

426-46-31320

BEARING

SN: 52581-UP

1шт.

9

0

BEARING

SN: 52406-52580

1шт.

10

426-09-11320

SEAL,DUST

SN: 52406-UP

1шт.

11

426-46-11530

PLATE

SN: 52406-UP

2шт.

12

01010-80616

BOLT

SN: 52406-UP

4шт.

13

01643-30623

WASHER

SN: 52406-UP

4шт.

14

426-46-11471

SHIM, 0.1MM

SN: 52406-UP

8шт.

14

426-46-11481

SHIM, 0.5MM

SN: 52406-UP

8шт.

15

01010-31655

BOLT

SN: 52406-UP

12шт.

16

01643-31645

WASHER

SN: 52406-UP

12шт.

17

41E-46-11130

SHAFT

SN: 52406-UP

1шт.

18

426-46-11230

BUSHING

SN: 52406-UP

1шт.

19

426-46-21520

RETAINER

SN: 52406-UP

1шт.

20

01010-62060

BOLT

SN: 52406-UP

4шт.

21

01643-32060

WASHER

SN: 52406-UP

4шт.

22

01010-31660

BOLT

SN: 52406-UP

6шт.

23

01643-31645

WASHER

SN: 52406-UP

6шт.

24

41E-46-11120

SHAFT

SN: 52406-UP

1шт.

25

426-46-11420

BUSHING

SN: 52406-UP

1шт.

26

426-46-11430

BUSHING

SN: 52406-UP

1шт.

27

426-46-11520

RETAINER

SN: 52406-UP

1шт.

28

425-46-11531

SHIM, 0.1MM

SN: 52406-UP

8шт.

28

425-46-11541

SHIM, 0.5MM

SN: 52406-UP

8шт.

29

01010-62080

BOLT

SN: 52406-UP

4шт.

30

01643-32060

WASHER

SN: 52406-UP

4шт.

31

01010-31655

BOLT

SN: 52406-UP

6шт.

32

01643-31645

WASHER

SN: 52406-UP

6шт.

33

426-09-11330

SEAL

SN: 52406-UP

1шт.

34

426-46-11240

RETAINER

SN: 52406-UP

1шт.

35

426-09-11320

SEAL

SN: 52406-UP

1шт.

36

426-46-11460

RETAINER

SN: 52406-UP

1шт.

Выбрано товаров: 40