Запчасти Komatsu WA600-3 ЦИЛИНДР РУЛЕВ. УПР-Я (ЦИЛИНДР И УПЛОТНЕНИЕ) (С ВСАСЫВ. ВЕНТИЛЯТОРОМ)(№-) ОСНОВНАЯ РАМА И ЕЕ ЧАСТИ

Схема запчастей Komatsu WA600-3 - ЦИЛИНДР РУЛЕВ. УПР-Я (ЦИЛИНДР И УПЛОТНЕНИЕ) (С ВСАСЫВ. ВЕНТИЛЯТОРОМ)(№-) ОСНОВНАЯ РАМА И ЕЕ ЧАСТИ
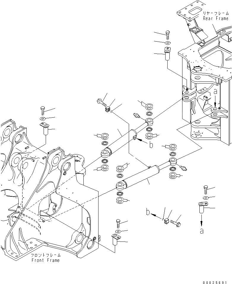
1
1
2
2
3
3
4
4
4
4
5
5
5
5
6
6
6
6
6
6
6
6
7
7
8
8
9
9
FIT
1:1
100%

Артикул

Название

Примечание

Количество

1

707-00-07D40

CYLINDER ASS'Y,STEERING

SN: 52001-UP

2шт.

2

426-46-12120

PIN

SN: 52001-UP

2шт.

3

426-46-22120

PIN

SN: 52001-UP

2шт.

4

01010-31625

BOLT

SN: 52001-UP

4шт.

5

421-70-11280

WASHER

SN: 52001-UP

4шт.

6

419-70-11440

SHIM, 1.5MM

SN: 52001-UP

16шт.

6

426-63-21110

SHIM, 0.5MM

SN: 52001-UP

8шт.

7

426-S05-2860

BLOCK

SN: 52001-UP

2шт.

8

01435-01055

BOLT

SN: 52001-UP

8шт.

9

07000-13032

O-RING

SN: 52001-UP

2шт.

Выбрано товаров: 10