Запчасти Komatsu WA600-3 ЦИЛИНДР РУЛЕВ. УПР-Я (ЦИЛИНДР И СИСТЕМА ТРУБ ЦИЛИНДРА)(№-) ОСНОВНАЯ РАМА И ЕЕ ЧАСТИ

Схема запчастей Komatsu WA600-3 - ЦИЛИНДР РУЛЕВ. УПР-Я (ЦИЛИНДР И СИСТЕМА ТРУБ ЦИЛИНДРА)(№-) ОСНОВНАЯ РАМА И ЕЕ ЧАСТИ
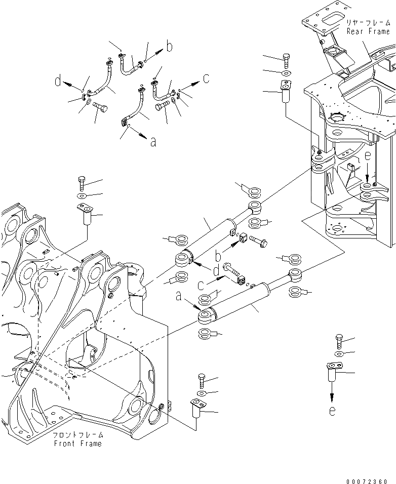
1
1
2
2
3
3
3
3
4
4
4
4
5
5
5
5
5
5
5
5
6
6
7
7
8
8
8
8
9
9
10
10
11
12
13
13
14
14
FIT
1:1
100%

Артикул

Название

Примечание

Количество

1

426-46-12120

PIN

SN: 52406-UP

2шт.

2

426-46-22120

PIN

SN: 52406-UP

2шт.

3

01010-31625

BOLT

SN: 52406-UP

4шт.

4

421-70-11280

WASHER

SN: 52406-UP

4шт.

5

419-70-11440

SHIM, 1.5MM

SN: 52406-UP

16шт.

5

426-63-21110

SHIM, 0.5MM

SN: 52406-UP

8шт.

6

707-00-07D40

CYLINDER ASS'Y

SN: 52406-UP

2шт.

7

07000-13032

O-RING

SN: 52406-UP

2шт.

8

07000-13025

O-RING

SN: 52406-UP

4шт.

9

426-62-21252

HOSE

SN: 52406-UP

2шт.

10

426-62-24250

HOSE

SN: 52406-UP

2шт.

11

07371-30640

FLANGE

SN: 52406-UP

4шт.

12

07371-31049

FLANGE

SN: 52406-UP

4шт.

13

07372-21035

BOLT

SN: 52406-UP

16шт.

14

01643-51032

WASHER

SN: 52406-UP

16шт.

Выбрано товаров: 0