Запчасти Komatsu WA600-3 H-A ОБОРУД-Е УПРАВЛЯЮЩ. КЛАПАН 2-Х СЕКЦИОНН. КРЕПЛЕНИЕ ГИДРАВЛИКА

Схема запчастей Komatsu WA600-3 - H-A ОБОРУД-Е УПРАВЛЯЮЩ. КЛАПАН 2-Х СЕКЦИОНН. КРЕПЛЕНИЕ ГИДРАВЛИКА
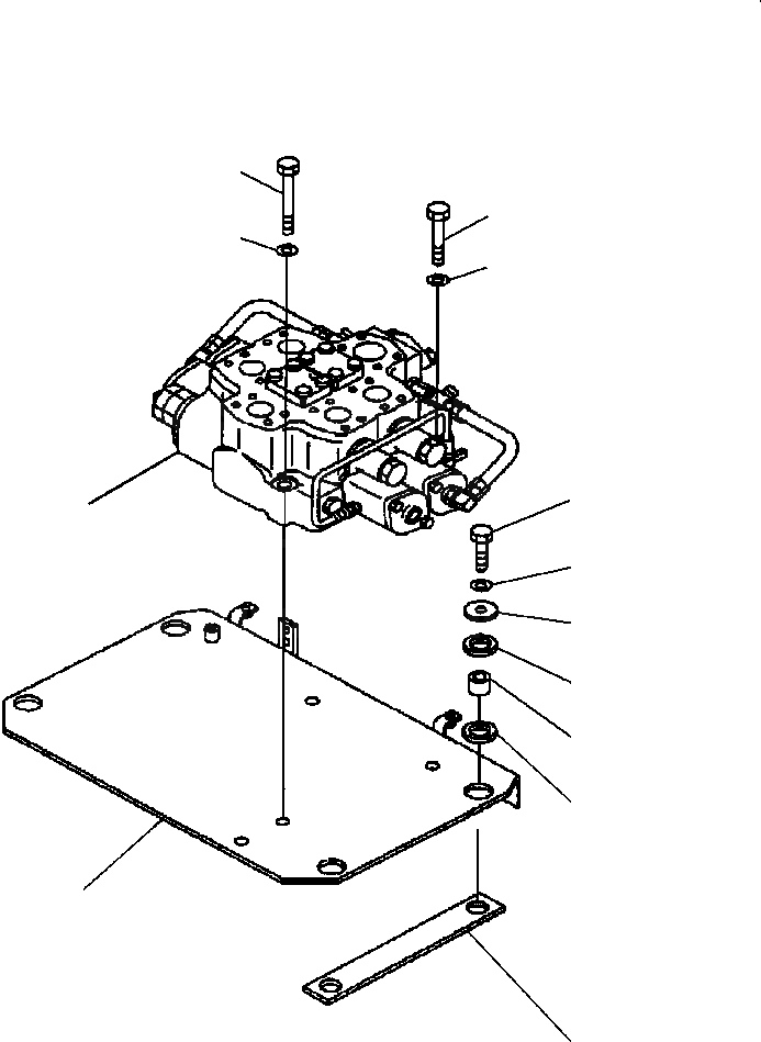
3
2
4
4
6
1
7
8
9
10
11
5
12
FIT
1:1
100%

Артикул

Название

Примечание

Количество

1

VALVE ASSEMBLY, 2-SPOOL (SEE FIG. H0120-02A0 )

SN: A52001--UP

-1шт.

2

-1шт.

2

01010-61680

BOLT

SN: A52001--UP

2шт.

3

01011-61605

BOLT

SN: A52001--UP

1шт.

4

01643-31645

WASHER

SN: A52001--UP

3шт.

5

426-64-23112

BRACKET

SN: A52001--UP

1шт.

|$15

OR

6

-1шт.

5

426-S99-2451

BRACKET

SN: A52001--UP

1шт.

6

01010-81670

BOLT

SN: A52001--UP

4шт.

7

01643-31645

WASHER

SN: A52001--UP

4шт.

8

421-70-11280

WASHER

SN: A52001--UP

4шт.

9

421-64-23120

CUSHION

SN: A52001--UP

4шт.

10

421-64-23140

SPACER

SN: A52001--UP

4шт.

11

421-64-23130

CUSHION

SN: A52001--UP

4шт.

12

421-64-23150

CUSHION

SN: A52001--UP

2шт.

|$16

15

-1шт.

|$17

F1 - USED WITH ECSS ONLY.

16

-1шт.

Выбрано товаров: 17