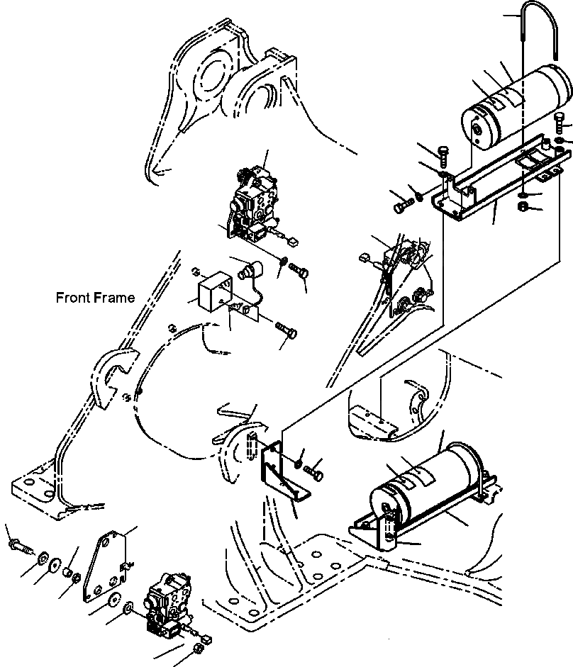
Запчасти Komatsu WA600-3 H-8A ГИДРОЛИНИЯ ECSS АККУМУЛЯТОР И СОЛЕНОИДНЫЙ КЛАПАН ГИДРАВЛИКА

Схема запчастей Komatsu WA600-3 - H-8A ГИДРОЛИНИЯ ECSS АККУМУЛЯТОР И СОЛЕНОИДНЫЙ КЛАПАН ГИДРАВЛИКА
6
2
31
17
9
10
9
30
10
12
11
8
7
30
3
19
21
20
18
5
4
1
16
15
31
17
23
22
13
3
27
14
24
25
26
25
24
6
28
29
FIT
1:1
100%

Артикул

Название

Примечание

Количество

1

721-32-15140

ACCUMULATOR ASSEMBLY, HIGH PRESSURE

SN: A52001--UP

1шт.

2

721-32-15150

ACCUMULATOR ASSEMBLY, LOW PRESSURE

SN: A52001--UP

1шт.

3

426-S99-2870

BRACKET

SN: A52001--UP

2шт.

4

01435-01280

BOLT

SN: A52001--UP

2шт.

5

08053-01512

CLIP

SN: A52001--UP

1шт.

6

421-S99-1351

CLIP

SN: A52001--UP

2шт.

7

426-43-19150

NUT, LOCK

SN: A52001--UP

4шт.

8

01643-31232

WASHER

SN: A52001--UP

4шт.

9

01010-81235

BOLT

SN: A52001--UP

8шт.

10

01643-31232

WASHER

SN: A52001--UP

8шт.

11

01010-81235

BOLT

SN: A52001--UP

4шт.

12

01643-31232

WASHER

SN: A52001--UP

4шт.

13

426-S99-2220

BRACKET, R.H.

SN: A52001--UP

1шт.

14

426-S99-2230

BRACKET, L.H.

SN: A52001--UP

1шт.

15

01010-81230

BOLT

SN: A52001--UP

4шт.

16

01643-31232

WASHER

SN: A52001--UP

4шт.

17

09659-53000

DECAL, WARNING, EXPLOSION

SN: A52001--UP

2шт.

18

421-S99-2390

VALVE ASSEMBLY

SN: A52001--UP

1шт.

19

421-S99-1480

SOLENOID ASSEMBLY

SN: A52001--UP

1шт.

|$19

421-S99-1910

O-RING

SN: A52001--UP

1шт.

|$20

421-S99-1920

O-RING

SN: A52001--UP

1шт.

|$21

421-S99-1930

RING, BACK-UP

SN: A52001--UP

1шт.

|$22

421-S99-1940

SOLENOID

SN: A52001--UP

1шт.

|$23

421-S99-1950

VALVE

SN: A52001--UP

1шт.

|$24

421-S99-1960

NUT

SN: A52001--UP

1шт.

20

01010-81230

BOLT

SN: A52001--UP

6шт.

21

01643-31232

WASHER

SN: A52001--UP

6шт.

22

426-S99-2621

BRACKET

SN: A52001--UP

2шт.

23

01435-01270

BOLT

SN: A52001--UP

6шт.

24

418-54-13220

WASHER

SN: A52001--UP

12шт.

25

418-54-13151

CUSHION

SN: A52001--UP

12шт.

26

418-54-13161

CUSHION

SN: A52001--UP

6шт.

27

428-64-15110

COLLAR

SN: A52001--UP

6шт.

28

01643-31232

WASHER

SN: A52001--UP

6шт.

29

01580-11210

NUT

SN: A52001--UP

6шт.

30

VALVE, CHARGE (SEE FIG. H4200-19A1 )

SN: A52001--UP

-1шт.

31

14X-98-11390

DECAL, WARNING, ACCUMULATOR

SN: A52001--UP

2шт.

Выбрано товаров: 37