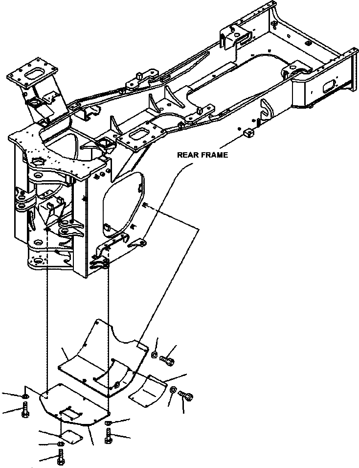
Запчасти Komatsu WA600-3 J9-A НИЖН. ЗАЩИТА ОСНОВНАЯ РАМА И ЕЕ ЧАСТИ

Схема запчастей Komatsu WA600-3 - J9-A НИЖН. ЗАЩИТА ОСНОВНАЯ РАМА И ЕЕ ЧАСТИ
2
3
1
4
8
5
9
8
11
10
12
13
6
7
FIT
1:1
100%

Артикул

Название

Примечание

Количество

1

426-971-2110

GUARD

SN: A52001--UP

1шт.

2

01643-31645

WASHER

SN: A52001--UP

4шт.

3

01010-81645

BOLT

SN: A52001--UP

4шт.

4

426-971-2130

PLATE

SN: A52001--UP

1шт.

5

01643-31232

WASHER

SN: A52001--UP

4шт.

6

01010-81230

BOLT

SN: A52001--UP

4шт.

7

426-971-2120

GUARD

SN: A52001--UP

1шт.

8

01643-31645

WASHER

SN: A52001--UP

4шт.

9

01010-81645

BOLT

SN: A52001--UP

4шт.

10

01010-81660

BOLT

SN: A52001--UP

2шт.

11

426-971-2140

PLATE

SN: A52001--UP

1шт.

12

01643-31232

WASHER

SN: A52001--UP

4шт.

13

01010-81230

BOLT

SN: A52001--UP

4шт.

Выбрано товаров: 13