Запчасти Komatsu WA600-3 K7-A ТОРМОЗНАЯ ГИДРОЛИНИЯ РЕГУЛ. УСИЛИЯ OPERATORXD S ОБСТАНОВКА И СИСТЕМА УПРАВЛЕНИЯ

Схема запчастей Komatsu WA600-3 - K7-A ТОРМОЗНАЯ ГИДРОЛИНИЯ РЕГУЛ. УСИЛИЯ OPERATORXD S ОБСТАНОВКА И СИСТЕМА УПРАВЛЕНИЯ
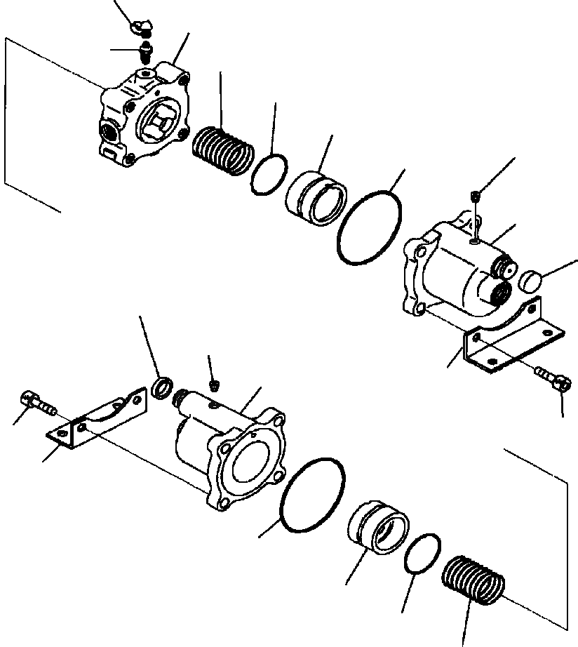
12
1
6
2
3
9
8
5
7
4
4
8
7
11
10
10
11
5
9
3
2
FIT
1:1
100%

Артикул

Название

Примечание

Количество

1

426-43-27201

SLACK ADJUSTER ASSEMBLY

SN: A52001--UP

2шт.

2

424-35-15230

SPRING

SN: A52001--UP

2шт.

3

424-35-15240

O-RING

SN: A52001--UP

2шт.

4

424-35-15250

COVER

SN: A52001--UP

2шт.

5

424-35-15260

O-RING

SN: A52001--UP

2шт.

6

424-35-15270

VALVE

SN: A52001--UP

1шт.

7

NSS

CYLINDER ASSEMBLY

SN: A52001--UP

2шт.

8

NSS

PLUG

SN: A52001--UP

2шт.

9

426-35-27220

PISTON

SN: A52001--UP

2шт.

10

426-35-27230

BOLT

SN: A52001--UP

8шт.

11

426-35-27241

BRACKET

SN: A52001--UP

2шт.

12

426-35-27250

CAP

SN: A52001--UP

1шт.

Выбрано товаров: 12