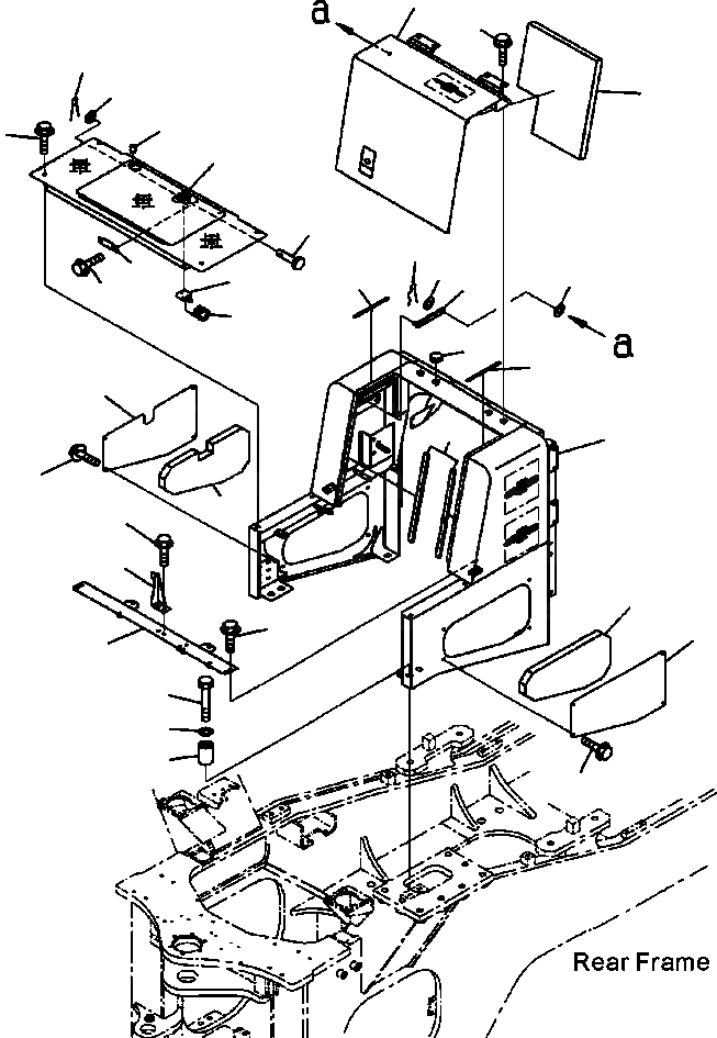
Запчасти Komatsu WA600-3 M-A BULKHEAD ЧАСТИ КОРПУСА

Схема запчастей Komatsu WA600-3 - M-A BULKHEAD ЧАСТИ КОРПУСА
7
16
31
30
12
32
21
13
29
19
18
18
25
6
27
17
26
28
24
6
9
5
1
20
15
22
11
14
23
8
10
2
3
4
20
FIT
1:1
100%

Артикул

Название

Примечание

Количество

1

426-54-21515

BULKHEAD

SN: A52001--UP

1шт.

2

01011-82010

BOLT

SN: A52001--UP

4шт.

|$2

01010-82050

BOLT

SN: A52001--UP

4шт.

3

01643-32060

WASHER

SN: A52001--UP

6шт.

4

176-70-43220

COLLAR

SN: A52001--UP

6шт.

5

425-54-11640

SEAL, DOOR

SN: A52001--UP

2шт.

6

425-54-14460

CUSHION

SN: A52001--UP

4шт.

7

426-54-21754

COVER

SN: A52001--UP

1шт.

|$8

426-54-11961

LOCK

SN: A52001--UP

1шт.

8

426-54-21531

PLATE, L.H.

SN: A52001--UP

1шт.

9

426-54-21570

PLATE, R.H.

SN: A52001--UP

1шт.

10

426-54-21541

PLATE

SN: A52001--UP

1шт.

11

426-54-21761

SUPPORT

SN: A52001--UP

1шт.

12

426-54-21150

SHEET

SN: A52001--UP

1шт.

13

426-54-24184

COVER

SN: A52001--UP

1шт.

14

426-54-21910

SHEET

SN: A52001--UP

1шт.

15

426-54-21920

SHEET

SN: A52001--UP

1шт.

16

01435-01235

BOLT

SN: A52001--UP

4шт.

17

426-Z84-3181

BAR

SN: A52001--UP

1шт.

18

01641-20812

WASHER

SN: A52001--UP

2шт.

19

04052-10833

PIN

SN: A52001--UP

1шт.

20

01435-01220

BOLT

SN: A52001--UP

8шт.

21

01435-01220

BOLT

SN: A52001--UP

6шт.

22

01435-01225

BOLT

SN: A52001--UP

2шт.

23

01435-01220

BOLT

SN: A52001--UP

4шт.

24

09415-02512

CAP

SN: A52001--UP

4шт.

25

415-54-11640

PLATE

SN: A52001--UP

1шт.

26

01435-01220

BOLT

SN: A52001--UP

2шт.

27

415-54-11610

LATCH

SN: A52001--UP

1шт.

28

415-54-11620

SPRING

SN: A52001--UP

1шт.

29

415-54-11630

PIN

SN: A52001--UP

1шт.

30

01643-30623

WASHER

SN: A52001--UP

1шт.

31

04050-12015

PIN, COTTER

SN: A52001--UP

1шт.

32

415-54-11980

CUSHION

SN: A52001--UP

2шт.

Выбрано товаров: 34