Запчасти Komatsu WA600-3 M-7A КАПОТ ЗАЩИТА РАДИАТОРА ЭЛЕМЕНТЫ КРЕПЛЕНИЯ ЧАСТИ КОРПУСА

Схема запчастей Komatsu WA600-3 - M-7A КАПОТ ЗАЩИТА РАДИАТОРА ЭЛЕМЕНТЫ КРЕПЛЕНИЯ ЧАСТИ КОРПУСА
3
4
5
1
3
4
2
FIT
1:1
100%

Артикул

Название

Примечание

Количество

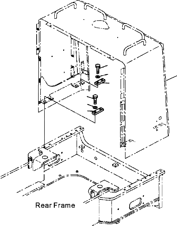
1

426-54-21130

PLATE

SN: A52001--UP

2шт.

2

426-54-21140

PLATE

SN: A52001--UP

2шт.

3

01010-82075

BOLT

SN: A52001--UP

8шт.

4

01643-32060

WASHER

SN: A52001--UP

8шт.

5

426-54-21611

GUARD, RADIATOR

SN: A52001--UP

1шт.

Выбрано товаров: 5