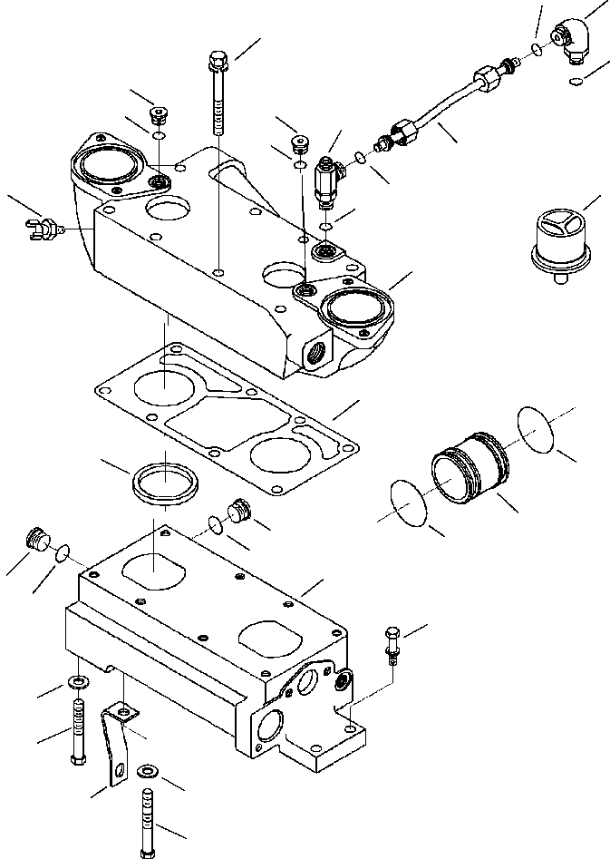
Запчасти Komatsu WA600-3 A9-AA ТЕРМОСТАТ И ТЕРМОСТАТ ДВИГАТЕЛЬ

Схема запчастей Komatsu WA600-3 - A9-AA ТЕРМОСТАТ И ТЕРМОСТАТ ДВИГАТЕЛЬ
16
15
6
14
10
9
10
24
9
21
5
25
23
22
19
20
3
8
4
12
8
13
18
12
13
7
11
2
11
17
1
FIT
1:1
100%

Артикул

Название

Примечание

Количество

1

1237 983 H1

BOLT (3/8-16x3 IN)

1шт.

2

1238 035 H1

BOLT (3/8-16x2 3/4 IN)

1шт.

3

1238 500 H1

SEAL, THERMOSTAT

2шт.

4

1238 804 H1

TUBE, WATER TRANSFER

1шт.

5

1267 720 H1

DRAINCOCK

2шт.

6

1310 958 H1

BOLT

8шт.

7

1239 267 H1

BOLT (3/8-16x1 1/2 IN)

2шт.

8

1239 565 H1

SEAL, O-RING

2шт.

|$8

6560-41-4100

PLUG, THREADED

2шт.

9

6560-51-7710

SEAL, O-RING

1шт.

10

NSS

PLUG, THREADED

1шт.

11

1267 715 H1

WASHER, PLAIN (3/8 IN)

2шт.

|$12

1246 131 H91

PLUG, THREADED

4шт.

12

NSS

PLUG, THREADED

1шт.

13

6735-21-4160

SEAL, O-RING

1шт.

|$15

1310 012 H1

ELBOW, MALE UNION

1шт.

14

6560-51-7710

SEAL, O-RING

1шт.

15

NSS

ELBOW, MALE UNION

1шт.

16

6732-81-8860

SEAL, O-RING

1шт.

17

1310 050 H1

BRACE, TUBE

1шт.

18

1310 051 H1

SUPPORT, THERMOSTAT HOUSING

1шт.

19

1310 052 H1

HOUSING, THERMOSTAT

1шт.

20

1310 053 H1

GASKET, THERMOSTAT HOUSING

1шт.

21

1310 054 H1

TUBE, VENT

1шт.

|$24

1310 055 H91

TEE, MALE UNION

1шт.

22

6560-51-7710

SEAL, O-RING

1шт.

23

6732-81-8860

SEAL, O-RING

1шт.

24

NSS

TEE, MALE UNION

1шт.

25

1238 601 H2

THERMOSTAT

2шт.

Выбрано товаров: 29