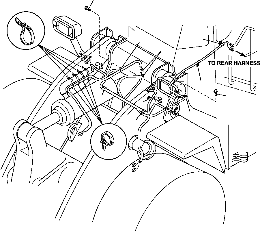
Запчасти Komatsu WA600-3 E-A ПЕРЕДН. Э/ПРОВОДКА ПЕРЕДН. РАМА ЭЛЕКТРИКА

Схема запчастей Komatsu WA600-3 - E-A ПЕРЕДН. Э/ПРОВОДКА ПЕРЕДН. РАМА ЭЛЕКТРИКА
6
7
5
4
5
3
5
6
2
5
4
1
2
8
FIT
1:1
100%

Артикул

Название

Примечание

Количество

1

426-06-22461

HARNESS, WIRING

SN: A52001--UP

1шт.

2

426-09-11210

GROMMET

SN: A52001--UP

2шт.

3

08052-12411

CLIP

SN: A52001--UP

2шт.

4

04434-51710

CLIP

SN: A52001--UP

2шт.

5

08036-01014

CLIP

SN: A52001--UP

7шт.

6

01435-01016

BOLT

SN: A52001--UP

8шт.

7

08034-20834

TIE, CABLE

SN: A52001--UP

4шт.

8

08034-20519

TIE, CABLE

SN: A52001--UP

4шт.

Выбрано товаров: 8