Запчасти Komatsu WA600-3D БЛОКИРОВКА И КРЫШКИ(ЗАДН. РАМА COVER)(№-) ОСНОВНАЯ РАМА И ЕЕ ЧАСТИ

Схема запчастей Komatsu WA600-3D - БЛОКИРОВКА И КРЫШКИ(ЗАДН. РАМА COVER)(№-) ОСНОВНАЯ РАМА И ЕЕ ЧАСТИ
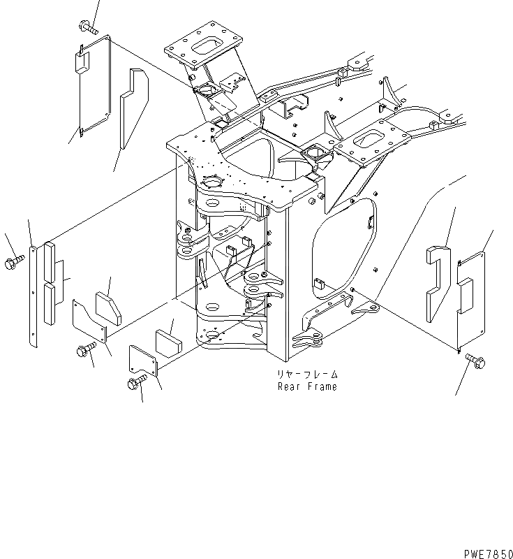
1
2
3
4
5
6
7
8
9
10
11
12
13
14
15
FIT
1:1
100%

Артикул

Название

Примечание

Количество

1

426-46-24210

COVER

SN: 50001-@

1шт.

2

426-46-24340

SHEET

SN: 50001-@

1шт.

3

01435-01220

BOLT

SN: 50001-52000

3шт.

4

426-46-24220

COVER

SN: 50001-@

1шт.

5

426-46-24340

SHEET

SN: 50001-@

1шт.

6

01435-01220

BOLT

SN: 50001-52000

3шт.

7

426-46-24230

COVER

SN: 50001-@

1шт.

8

426-46-24360

SHEET

SN: 50001-@

2шт.

9

01435-01220

BOLT

SN: 50001-52000

3шт.

10

426-46-24240

COVER,R.H.

SN: 50001-52000

1шт.

11

426-46-24370

SHEET,R.H.

SN: 50001-@

1шт.

12

01435-01220

BOLT

SN: 50001-52000

4шт.

13

426-46-24250

COVER,L.H.

SN: 50001-52000

1шт.

14

426-46-24380

SHEET,L.H.

SN: 50001-@

1шт.

15

01435-01220

BOLT

SN: 50001-52000

4шт.

Выбрано товаров: 15