Запчасти Komatsu WA600-3D БЛОКИРОВКА И КРЫШКИ(ЗАДН. РАМА COVER)(№-) ОСНОВНАЯ РАМА И ЕЕ ЧАСТИ

Схема запчастей Komatsu WA600-3D - БЛОКИРОВКА И КРЫШКИ(ЗАДН. РАМА COVER)(№-) ОСНОВНАЯ РАМА И ЕЕ ЧАСТИ
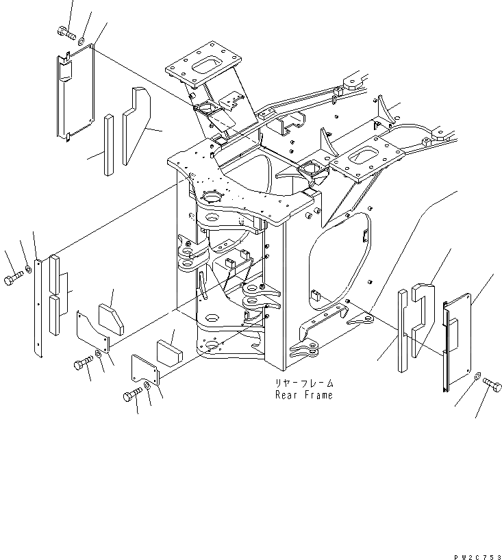
1
2
3
4
5
6
7
8
9
10
11
12
13
14
15
16
17
18
19
20
21
22
FIT
1:1
100%

Артикул

Название

Примечание

Количество

1

426-46-24210

COVER

SN: 50001-UP

1шт.

2

426-46-24340

SHEET

SN: 50001-UP

1шт.

3

01010-81220

BOLT

SN: 52001-UP

3шт.

4

01643-31232

WASHER

SN: 52001-UP

3шт.

5

426-46-24220

COVER

SN: 50001-UP

1шт.

6

426-46-24340

SHEET

SN: 50001-UP

1шт.

7

01010-81220

BOLT

SN: 52001-UP

3шт.

8

01643-31232

WASHER

SN: 52001-UP

3шт.

9

426-46-24230

COVER

SN: 50001-UP

1шт.

10

426-46-24360

SHEET

SN: 50001-UP

2шт.

11

01010-81220

BOLT

SN: 52001-UP

3шт.

12

01643-31232

WASHER

SN: 52001-UP

3шт.

13

426-Z90-3581

COVER,R.H.

SN: .-UP

1шт.

13

426-Z90-3580

COVER,R.H.

SN: 52001-.

1шт.

14

426-46-24370

SHEET,R.H.

SN: 50001-UP

1шт.

15

426-Z90-3640

SHEET

SN: 52001-UP

1шт.

16

01010-81225

BOLT

SN: 52001-UP

4шт.

17

01643-31232

WASHER

SN: 52001-UP

4шт.

18

426-Z90-3572

COVER,L.H.

SN: .-UP

1шт.

18

426-Z90-3571

COVER,L.H.

SN: 52004-.

1шт.

18

426-Z90-3570

COVER,L.H.

SN: 52001-52003

1шт.

19

426-46-24380

SHEET,L.H.

SN: 50001-UP

1шт.

20

426-Z90-3631

SHEET

SN: 52004-UP

1шт.

20

426-Z90-3630

SHEET

SN: 52001-52003

1шт.

21

01010-81225

BOLT

SN: 52001-UP

4шт.

22

01643-31232

WASHER

SN: 52001-UP

4шт.

Выбрано товаров: 26