Запчасти Komatsu WA600-3D СУППОРТ КАБИНА ОПЕРАТОРА И СИСТЕМА УПРАВЛЕНИЯ

Схема запчастей Komatsu WA600-3D - СУППОРТ КАБИНА ОПЕРАТОРА И СИСТЕМА УПРАВЛЕНИЯ
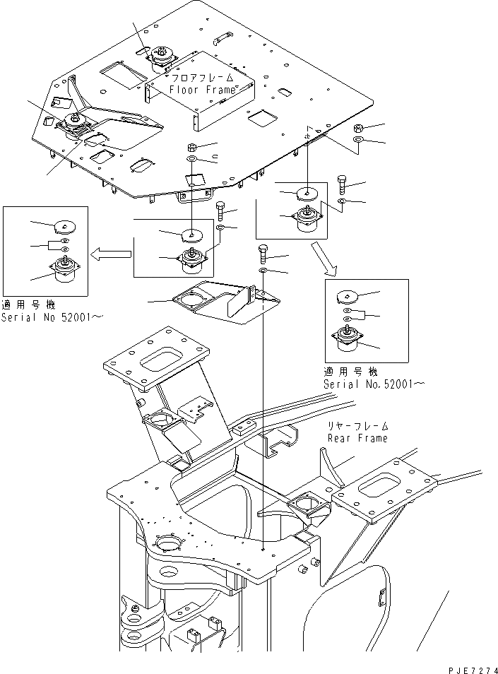
1
2
3
4
5
5
5
5
5
5
6
7
8
9
10
10
10
10
11
11
12
12
13
13
FIT
1:1
100%

Артикул

Название

Примечание

Количество

1

426-54-23112

BRACKET,L.H.

SN: 50001-UP

1шт.

2

426-54-23122

BRACKET,R.H.

SN: 50001-UP

1шт.

3

01010-81640

BOLT

SN: 50001-UP

8шт.

4

01643-31645

WASHER

SN: 50001-UP

8шт.

5

425-54-23130

MOUNT ASS'Y,VISCOUS

SN: 50001-UP

4шт.

6

01010-81025

BOLT

SN: 50001-UP

8шт.

7

01643-31032

WASHER

SN: 50001-UP

8шт.

8

01010-81035

BOLT

SN: 50001-UP

8шт.

9

01643-31032

WASHER

SN: 50001-UP

8шт.

10

421-54-23260

PLATE

SN: 50001-UP

4шт.

11

425-70-11290

WASHER

SN: 50001-UP

4шт.

12

01596-01615

NUT,LOCK

SN: 50001-UP

4шт.

13

42C-54-13160

SHIM, 1.0MM

SN: 52001-UP

8шт.

Выбрано товаров: 0