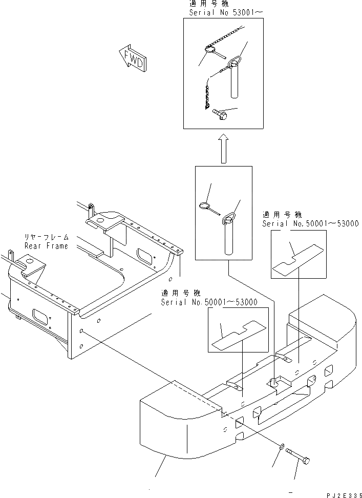
Запчасти Komatsu WA600-3D ПРОТИВОВЕС (ДЛЯ КОРОТК. РУКОЯТЬ) ЧАСТИ КОРПУСА

Схема запчастей Komatsu WA600-3D - ПРОТИВОВЕС (ДЛЯ КОРОТК. РУКОЯТЬ) ЧАСТИ КОРПУСА
1
1
2
3
4
4
5
5
5A
6
7
FIT
1:1
100%

Артикул

Название

Примечание

Количество

1

426-U68-2310

WEIGHT

SN: 53001-UP

1шт.

1

426-U68-2151

WEIGHT,COUNTER, 4300KG

SN: 50001-53000

1шт.

2

425-09-11131

BOLT

SN: 50001-UP

6шт.

3

01643-33690

WASHER

SN: 50001-UP

6шт.

4

426-46-13211

PIN

SN: 53001-UP

1шт.

4

426-46-13122

PIN

SN: 50036-53000

1шт.

4

0

PIN

SN: 50001-50035

1шт.

|$12

425-46-13221

PIN

SN: 53001-UP

1шт.

5

425-46-13130

PIN,LINCH

SN: 50001-53000

1шт.

5A

01435-00816

BOLT

SN: 53001-UP

1шт.

6

426-46-23120

PLATE

SN: 50001-53000

1шт.

7

426-46-23130

PLATE

SN: 50001-53000

1шт.

Выбрано товаров: 12