Запчасти Komatsu WA600-3LK FIG. K-7A7 ДЖОЙСТИК РУЛЕВ. УПРАВЛЕНИЕ УПРАВЛ-ЕS - РУКОЯТЬ ASSEMBLY И КОМПОНЕНТЫ КАБИНА ОПЕРАТОРА И СИСТЕМА УПРАВЛЕНИЯ

Схема запчастей Komatsu WA600-3LK - FIG. K-7A7 ДЖОЙСТИК РУЛЕВ. УПРАВЛЕНИЕ УПРАВЛ-ЕS - РУКОЯТЬ ASSEMBLY И КОМПОНЕНТЫ КАБИНА ОПЕРАТОРА И СИСТЕМА УПРАВЛЕНИЯ
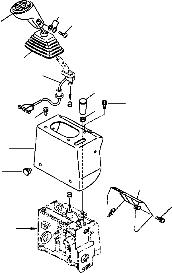
9
8
10
1
14
6
12
7
11
2
3
4
5
13
FIT
1:1
100%

Артикул

Название

Примечание

Количество

1

421-43-28431

BOOT

SN: A53001--UP

1шт.

2

425-S33-2211

COVER

SN: A53001--UP

1шт.

3

23S-55-51950

RIVET

SN: A53001--UP

4шт.

4

425-S33-2151

COVER

SN: A53001--UP

1шт.

5

01023-70614

SCREW

SN: A53001--UP

2шт.

6

423-56-21740

KNOB

SN: A53001--UP

1шт.

7

01580-10806

NUT

SN: A53001--UP

1шт.

8

01023-10612

SCREW

SN: A53001--UP

2шт.

9

01641-20608

WASHER

SN: A53001--UP

4шт.

10

HANDLE ASSEMBLY (SEE FIG. K4200-08A0)

SN: A53001--UP

1шт.

11

01023-10616

SCREW

SN: A53001--UP

2шт.

12

01220-40610

SCREW

SN: A53001--UP

1шт.

13

BRACKET (SEE FIG. K4200-07A5)

SN: A53001--UP

1шт.

14

08017-31001

CONDUIT

SN: A53001--UP

1шт.

Выбрано товаров: 14