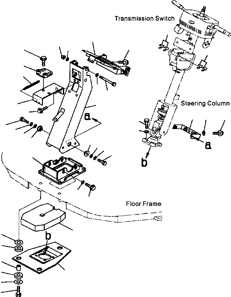
Запчасти Komatsu WA600-3LK FIG. K-A КОЛЕСА КОЛОНКА И РУЛЕВОЕ КОЛЕСО - СУППОРТ И ЭЛЕМЕНТЫ КРЕПЛЕНИЯ КАБИНА ОПЕРАТОРА И СИСТЕМА УПРАВЛЕНИЯ

Схема запчастей Komatsu WA600-3LK - FIG. K-A КОЛЕСА КОЛОНКА И РУЛЕВОЕ КОЛЕСО - СУППОРТ И ЭЛЕМЕНТЫ КРЕПЛЕНИЯ КАБИНА ОПЕРАТОРА И СИСТЕМА УПРАВЛЕНИЯ
4
12
3
13
11
2
4
16
9
2
1
26
10
11
14
30
15
24
6
25
7
5
5
8
7
6
27
29
28
18
23
19
20
21
17
18
22
8
FIT
1:1
100%

Артикул

Название

Примечание

Количество

1

01011-51020

BOLT

SN: A53001--UP

2шт.

2

01643-31032

WASHER

SN: A53001--UP

4шт.

3

01596-01009

NUT

SN: A53001--UP

2шт.

4

421-40-22650

SHIM, 0.5 MM

SN: A53001--UP

8шт.

5

421-40-22630

BUSHING

SN: A53001--UP

2шт.

6

01010-51025

BOLT

SN: A53001--UP

2шт.

7

01602-21030

WASHER SPRING

SN: A53001--UP

2шт.

8

01642-21016

WASHER

SN: A53001--UP

2шт.

9

418-43-18240

SPRING

SN: A53001--UP

2шт.

10

425-54-22240

SUPPORT

SN: A53001--UP

1шт.

11

01435-01020

BOLT

SN: A53001--UP

4шт.

12

421-54-22230

SUPPORT

SN: A53001--UP

1шт.

13

01435-00612

BOLT

SN: A53001--UP

2шт.

14

421-54-22240

SUPPORT

SN: A53001--UP

1шт.

15

01435-00612

BOLT

SN: A53001--UP

2шт.

16

425-54-22231

BRACKET

SN: A53001--UP

1шт.

17

419-40-22611

BRACKET

SN: A53001--UP

1шт.

18

419-43-17920

WASHER

SN: A53001--UP

6шт.

19

417-62-13620

CUSHION

SN: A53001--UP

3шт.

20

417-62-14130

SPACER

SN: A53001--UP

3шт.

21

419-43-17930

CUSHION

SN: A53001--UP

3шт.

22

01010-81250

BOLT

SN: A53001--UP

3шт.

23

419-40-22620

SEAL

SN: A53001--UP

1шт.

24

02010-70638

BOLT

SN: A53001--UP

4шт.

25

01643-31032

WASHER

SN: A53001--UP

4шт.

26

421-54-22210

SUPPORT

SN: A53001--UP

1шт.

27

425-54-22220

BRACKET

SN: A53001--UP

1шт.

28

01435-01230

BOLT

SN: A53001--UP

4шт.

29

01643-31232

WASHER

SN: A53001--UP

4шт.

30

01643-30623

WASHER

SN: A53001--UP

6шт.

Выбрано товаров: 30