Качественные детали и логистика
Оригинальные и аналоговые запчасти с доставкой по России, Казахстану и Беларуси
©2022 PartSell ООО "Система" ИНН 2463123282 ОГРН 1212400004838
Центральный офис: г. Красноярск, Академика Киренского, д.87, пом.4
Телефон: 8 (800) 777-65-74 Email: zakaz@partsell.ru
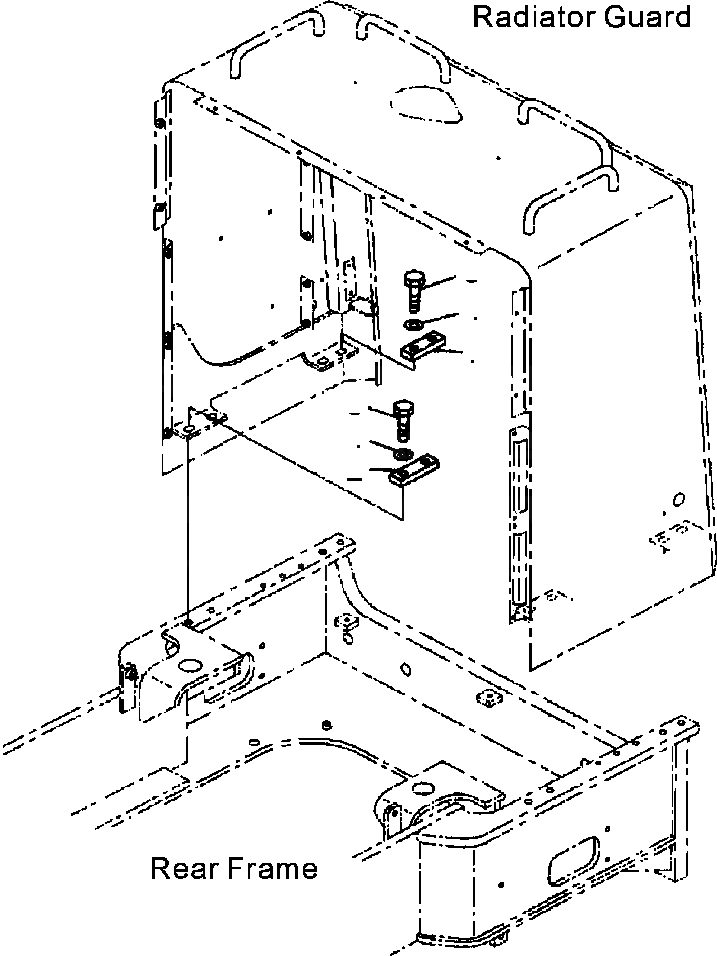
FIG. M-7A КАПОТ - ЗАЩИТА РАДИАТОРА КРЕПЛЕНИЕ
№
Артикул
Название
Примечание
Количество
1
426-54-21130
PLATE
SN: A53001--UP
2шт.
2
426-54-21140
3
01010-82070
BOLT
8шт.
4
01643-32060
WASHER
Выбрано товаров: 0