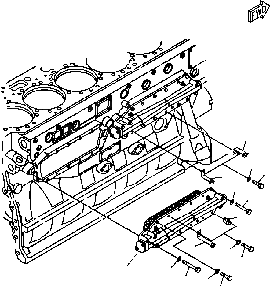
Запчасти Komatsu WA600-3LK FIG. A-AE МАСЛООХЛАДИТЕЛЬ - КРЕПЛЕНИЕ ДВИГАТЕЛЬ

Схема запчастей Komatsu WA600-3LK - FIG. A-AE МАСЛООХЛАДИТЕЛЬ - КРЕПЛЕНИЕ ДВИГАТЕЛЬ
8
10
9
7
4
2
6
5
10
9
11
4
3
4
1
FIT
1:1
100%

Артикул

Название

Примечание

Количество

1

01010-81025

BOLT

22шт.

2

01010-81065

BOLT

4шт.

3

01010-81080

BOLT

4шт.

4

01640-21016

WASHER

30шт.

5

363-43-37350

BRACKET

1шт.

6

426-06-11570

BRACKET

1шт.

7

423-62-11240

PLATE

1шт.

8

425-03-11420

PLATE

1шт.

9

01010-81030

BOLT

4шт.

10

01640-21016

WASHER

4шт.

11

COVER (SEE FIG. A3310-A6A4)

1шт.

Выбрано товаров: 11