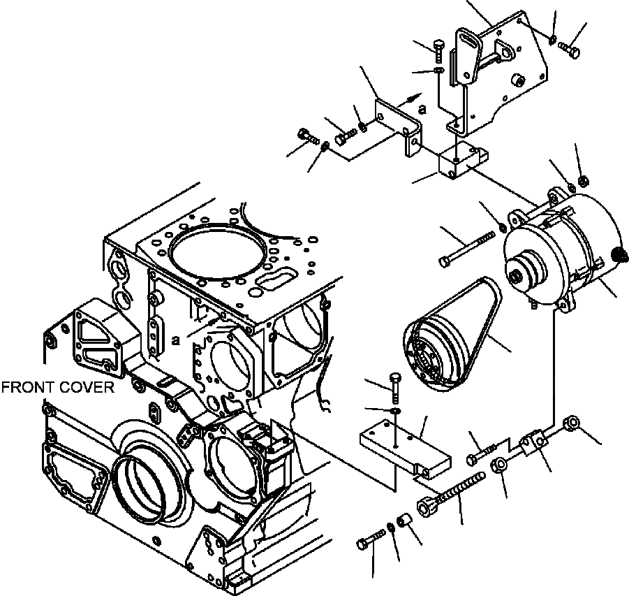
Запчасти Komatsu WA600-3LK FIG. A-AF КРЕПЛЕНИЕ ГЕНЕРАТОРА - 7 AMP ДВИГАТЕЛЬ

Схема запчастей Komatsu WA600-3LK - FIG. A-AF КРЕПЛЕНИЕ ГЕНЕРАТОРА - 7 AMP ДВИГАТЕЛЬ
5
7
6
12
8
13
10
9
4
3
12
13
11
3
2
1
24
22
14
23
18
17
16
17
15
19
21
20
FIT
1:1
100%

Артикул

Название

Примечание

Количество

1

ALTERNATOR (SEE FIG. A6010-B6F5)

1шт.

2

6128-21-6780

BOLT

1шт.

3

01640-21323

WASHER

2шт.

4

02205-10812

NUT

1шт.

5

426-S62-2410

BRACKET

1шт.

6

01010-81025

BOLT

6шт.

7

01640-21016

WASHER

6шт.

8

6240-81-6720

BRACKET

1шт.

9

01010-81230

BOLT

2шт.

10

01640-21223

WASHER

2шт.

11

6240-81-6730

BRACKET

1шт.

12

01010-81025

BOLT

3шт.

13

01640-21016

WASHER

3шт.

14

6240-81-6740

BRACKET

1шт.

15

6240-81-8640

ROD

1шт.

16

6150-82-8690

PLATE

1шт.

17

01580-11411

NUT

2шт.

18

01050-51255

BOLT

1шт.

19

6215-81-6150

PIN

1шт.

20

01010-81250

BOLT

1шт.

21

01643-31232

WASHER

1шт.

22

01010-81045

BOLT

4шт.

23

01643-31032

WASHER

4шт.

24

04120-21740

V-BELT

1шт.

Выбрано товаров: 24