Запчасти Komatsu WA600-6 ГИДРОТРАНСФОРМАТОР И ТРАНСМИССИЯ (ГИДРОТРАНСФОРМАТОР ЛИНИЯ ОХЛАЖДЕНИЯ)(№7-) ГИДРОТРАНСФОРМАТОР И ТРАНСМИССИЯ

Схема запчастей Komatsu WA600-6 - ГИДРОТРАНСФОРМАТОР И ТРАНСМИССИЯ (ГИДРОТРАНСФОРМАТОР ЛИНИЯ ОХЛАЖДЕНИЯ)(№7-) ГИДРОТРАНСФОРМАТОР И ТРАНСМИССИЯ
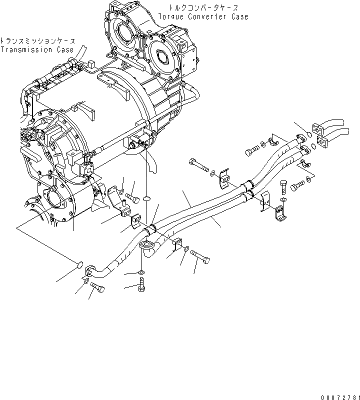
1
2
3
4
5
6
7
8
9
10
11
12
13
13
14
15
FIT
1:1
100%

Артикул

Название

Примечание

Количество

1

426-16-31650

HOSE

SN: 60217-60464

1шт.

2

01010-81035

BOLT

SN: 60217-60464

2шт.

3

01643-31032

WASHER

SN: 60217-60464

2шт.

4

426-16-31660

HOSE

SN: 60217-60464

1шт.

5

01010-81240

BOLT

SN: 60217-60464

2шт.

6

01643-31232

WASHER

SN: 60217-60464

2шт.

7

07000-A3038

O-RING

SN: 60217-60464

1шт.

8

07000-A3048

O-RING

SN: 60217-60464

1шт.

9

426-43-39520

BRACKET

SN: 60217-UP

1шт.

10

01010-81235

BOLT

SN: 60217-UP

2шт.

11

01643-31232

WASHER

SN: 60217-UP

2шт.

12

07095-01245

CUSHION

SN: 60217-UP

1шт.

13

07094-11228

CLAMP

SN: 60217-UP

2шт.

14

01010-81290

BOLT

SN: 60217-UP

2шт.

15

01643-31232

WASHER

SN: 60217-UP

2шт.

Выбрано товаров: 15