Запчасти Komatsu WA600-6 ГИДРОТРАНСФОРМАТОР И ТРАНСМИССИЯ (ЭЛЕМЕНТЫ КРЕПЛЕНИЯ)(№7-) ГИДРОТРАНСФОРМАТОР И ТРАНСМИССИЯ

Схема запчастей Komatsu WA600-6 - ГИДРОТРАНСФОРМАТОР И ТРАНСМИССИЯ (ЭЛЕМЕНТЫ КРЕПЛЕНИЯ)(№7-) ГИДРОТРАНСФОРМАТОР И ТРАНСМИССИЯ
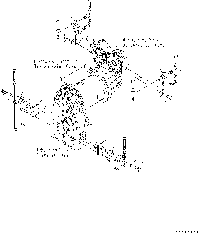
1
1
2
2
3
3
4
4
5
5
6
6
7
7
8
8
9
9
10
10
11
11
12
12
13
13
FIT
1:1
100%

Артикул

Название

Примечание

Количество

1

426-14-31110

BRACKET

SN: 60217-UP

2шт.

2

01643-31645

WASHER

SN: 60217-UP

8шт.

3

01010-61650

BOLT

SN: 60217-UP

8шт.

4

04020-01228

PIN

SN: 60217-UP

4шт.

5

566-14-51152

CUSHION

SN: 60217-UP

2шт.

6

426-14-11121

PIN

SN: 60217-60464

2шт.

7

01010-61645

BOLT

SN: 60217-UP

8шт.

8

01643-31645

WASHER

SN: 60217-UP

8шт.

9

04020-01228

PIN

SN: 60217-UP

4шт.

10

566-14-41130

CUSHION

SN: 60217-60464

2шт.

11

566-14-41160

BRACKET

SN: 60217-60464

2шт.

12

566-14-41170

WASHER

SN: 60217-60464

2шт.

13

01010-61625

BOLT

SN: 60217-60464

2шт.

Выбрано товаров: 13