Запчасти Komatsu WA600-6 ГИДРОТРАНСФОРМАТОР И ТРАНСМИССИЯ (ТРАНСМИССИЯ МАСЛОНАЛИВНОЙ ПАТРУБОК)(№7-) ГИДРОТРАНСФОРМАТОР И ТРАНСМИССИЯ

Схема запчастей Komatsu WA600-6 - ГИДРОТРАНСФОРМАТОР И ТРАНСМИССИЯ (ТРАНСМИССИЯ МАСЛОНАЛИВНОЙ ПАТРУБОК)(№7-) ГИДРОТРАНСФОРМАТОР И ТРАНСМИССИЯ
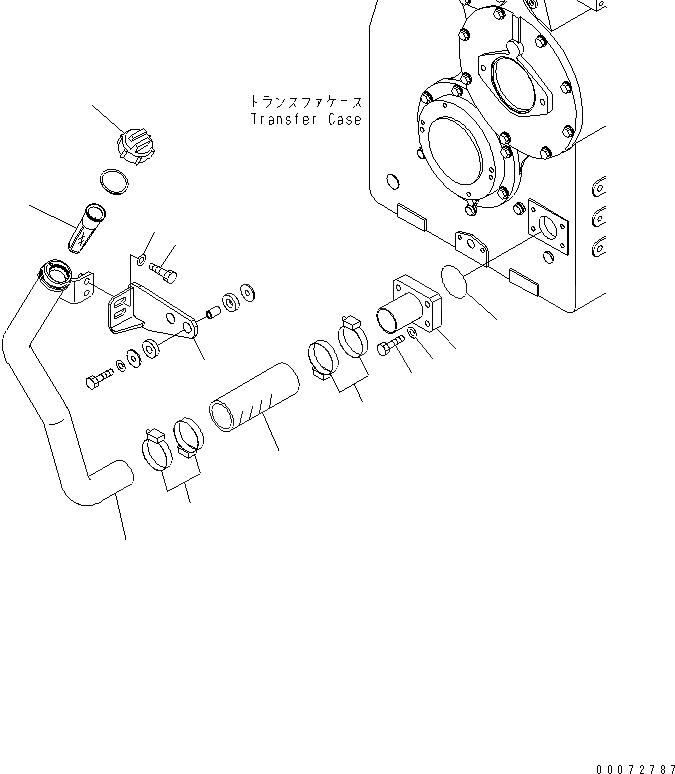
1
2
3
4
5
5
6
7
8
9
10
11
12
FIT
1:1
100%

Артикул

Название

Примечание

Количество

1

426-15-48112

FILLER

SN: 60217-60464

1шт.

2

07056-10045

STRAINER

SN: 60217-60464

1шт.

3

07092-01000

CAP

SN: 60217-60464

1шт.

4

07260-25820

HOSE

SN: 60217-UP

1шт.

5

07289-00070

CLAMP

SN: 60217-UP

4шт.

6

01010-D1230

BOLT

SN: 60217-60464

2шт.

7

01643-71232

WASHER

SN: 60217-60464

2шт.

8

426-15-48160

PLATE

SN: 60217-60464

1шт.

9

426-15-48122

TUBE

SN: 60217-UP

1шт.

10

01010-81245

BOLT

SN: 60217-UP

4шт.

11

01643-31232

WASHER

SN: 60217-UP

4шт.

12

07000-72075

O-RING

SN: 60217-UP

1шт.

Выбрано товаров: 12