Качественные детали и логистика
Оригинальные и аналоговые запчасти с доставкой по России, Казахстану и Беларуси
©2022 PartSell ООО "Система" ИНН 2463123282 ОГРН 1212400004838
Центральный офис: г. Красноярск, Академика Киренского, д.87, пом.4
Телефон: 8 (800) 777-65-74 Email: zakaz@partsell.ru
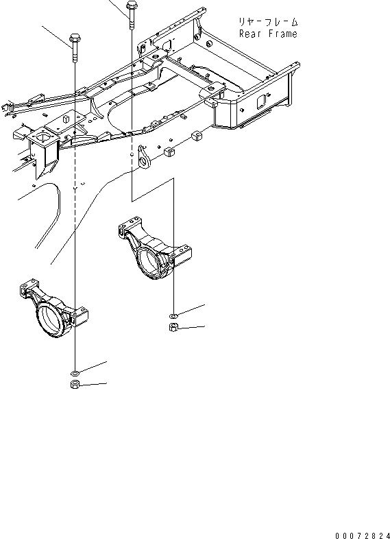
ЗАДН. МОСТ (СУППОРТ МОСТА ЭЛЕМЕНТЫ КРЕПЛЕНИЯ)(№7-)
№
Артикул
Название
Примечание
Количество
1
426-46-12921
BOLT
SN: 60217-UP
4шт.
2
426-46-12131
6шт.
3
01580-03629
NUT
10шт.
4
426-46-11711
WASHER
20шт.
Выбрано товаров: 0