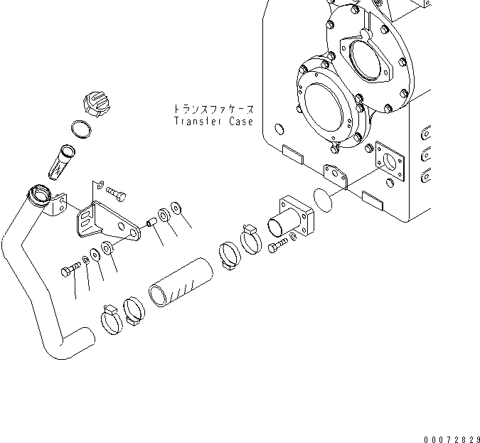
Запчасти Komatsu WA600-6 ТРАНСМИССИЯ МАСЛОНАЛИВНОЙ ПАТРУБОК (/)(№7-) ГИДРОТРАНСФОРМАТОР И ТРАНСМИССИЯ

Схема запчастей Komatsu WA600-6 - ТРАНСМИССИЯ МАСЛОНАЛИВНОЙ ПАТРУБОК (/)(№7-) ГИДРОТРАНСФОРМАТОР И ТРАНСМИССИЯ
1
1
2
3
4
5
6
FIT
1:1
100%

Артикул

Название

Примечание

Количество

1

415-64-13120

WASHER

SN: 60217-UP

4шт.

2

419-43-17930

CUSHION

SN: 60217-UP

2шт.

3

415-64-13130

CUSHION

SN: 60217-UP

2шт.

4

421-62-18560

SPACER

SN: 60217-UP

2шт.

5

01010-D1050

BOLT

SN: 60217-UP

2шт.

6

01643-71032

WASHER

SN: 60217-UP

2шт.

Выбрано товаров: 6