Качественные детали и логистика
Оригинальные и аналоговые запчасти с доставкой по России, Казахстану и Беларуси
©2022 PartSell ООО "Система" ИНН 2463123282 ОГРН 1212400004838
Центральный офис: г. Красноярск, Академика Киренского, д.87, пом.4
Телефон: 8 (800) 777-65-74 Email: zakaz@partsell.ru
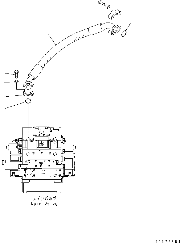
ОСН. ГИДРАВЛ. КЛАПАН КОМПОНЕНТЫ (/) (ДЛЯ ECSS)(№7-)
№
Артикул
Название
Примечание
Количество
1
426-62-33671
HOSE
SN: 60217-UP
1шт.
2
07000-B3038
O-RING
3
07000-B3032
4
07371-31049
FLANGE
2шт.
5
07372-21035
BOLT
4шт.
6
01643-51032
WASHER
Выбрано товаров: 0