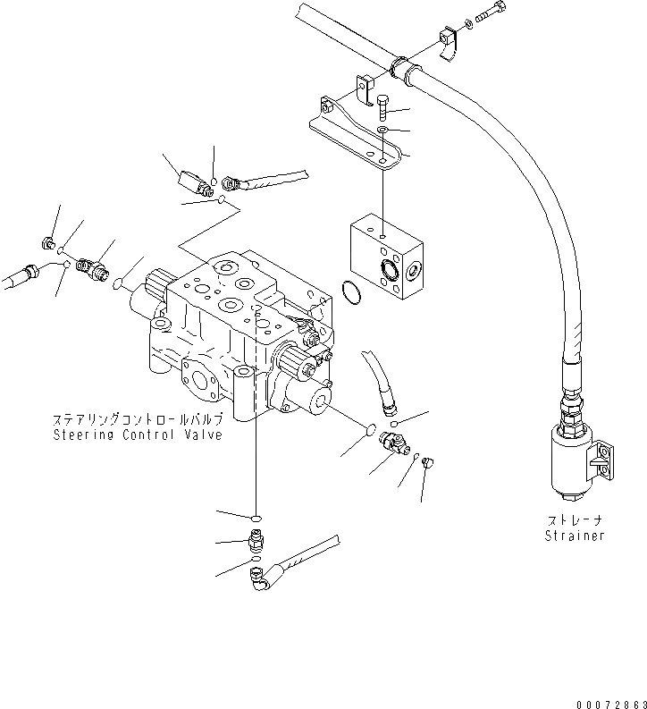
Запчасти Komatsu WA600-6 КЛАПАН УПРАВЛЕНИЯ ПОВОРОТОМ (ПОДАЮЩ. И ГЛАВН. ЛИНИЯ ЧАСТИ) (-ЯC СПЕЦ-Я.)(№7-) ГИДРАВЛИКА

Схема запчастей Komatsu WA600-6 - КЛАПАН УПРАВЛЕНИЯ ПОВОРОТОМ (ПОДАЮЩ. И ГЛАВН. ЛИНИЯ ЧАСТИ) (-ЯC СПЕЦ-Я.)(№7-) ГИДРАВЛИКА
1
2
3
4
5
6
7
8
9
10
10
11
11
12
12
13
13
14
14
FIT
1:1
100%

Артикул

Название

Примечание

Количество

1

426-62-35780

PLATE

SN: 60465-UP

1шт.

1

0

PLATE

SN: 60217-60464

1шт.

2

01010-81025

BOLT

SN: 60217-UP

2шт.

3

01643-31032

WASHER

SN: 60217-UP

2шт.

4

11Y-62-12850

UNION

SN: 60217-UP

1шт.

5

07000-B2011

O-RING

SN: 60217-UP

1шт.

6

02896-61009

O-RING

SN: 60217-UP

1шт.

7

21N-64-36460

ELBOW

SN: 60217-UP

1шт.

8

07000-B2011

O-RING

SN: 60217-UP

1шт.

9

02896-61009

O-RING

SN: 60217-UP

1шт.

10

02782-50315

ELBOW

SN: 60217-UP

2шт.

11

07002-62034

O-RING

SN: 60217-UP

2шт.

12

02896-61009

O-RING

SN: 60217-UP

2шт.

13

07040-11007

PLUG

SN: 60217-UP

2шт.

14

07002-61023

O-RING

SN: 60217-UP

2шт.

Выбрано товаров: 15