Запчасти Komatsu WA600-6 ЦИЛИНДР РУЛЕВ. УПР-Я ЭЛЕМЕНТЫ КРЕПЛЕНИЯ (БОЛЬШ. ЦИЛИНДР)(№7-) ОСНОВНАЯ РАМА И ЕЕ ЧАСТИ

Схема запчастей Komatsu WA600-6 - ЦИЛИНДР РУЛЕВ. УПР-Я ЭЛЕМЕНТЫ КРЕПЛЕНИЯ (БОЛЬШ. ЦИЛИНДР)(№7-) ОСНОВНАЯ РАМА И ЕЕ ЧАСТИ
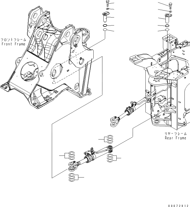
1
2
3
4
5
6
6
7
8
9
10
11
13
13
FIT
1:1
100%

Артикул

Название

Примечание

Количество

1

424-70-11910

PIN

SN: 60217-UP

2шт.

2

01010-81625

BOLT

SN: 60217-UP

2шт.

3

421-70-11280

WASHER

SN: 60217-UP

2шт.

4

426-46-33410

O-RING

SN: 60217-UP

2шт.

5

426-46-33320

PLATE

SN: 60217-UP

2шт.

6

426-46-33230

SHIM, 0.2MM

SN: 60217-UP

8шт.

6

426-46-33240

SHIM, 0.5MM

SN: 60217-UP

12шт.

7

426-46-33210

PIN

SN: 60217-UP

2шт.

8

01010-81625

BOLT

SN: 60217-UP

2шт.

9

421-70-11280

WASHER

SN: 60217-UP

2шт.

10

426-46-33410

O-RING

SN: 60217-UP

2шт.

11

426-46-33320

PLATE

SN: 60217-UP

2шт.

13

426-46-33230

SHIM, 0.2MM

SN: 60217-UP

8шт.

13

426-46-33240

SHIM, 0.5MM

SN: 60217-UP

12шт.

Выбрано товаров: 14