Запчасти Komatsu WA600-6 БЛОКИРОВКА И КРЫШКИ(ДЛЯ ПЕРЕДН. И ЗАДН. РАМА)(№-) ОСНОВНАЯ РАМА И ЕЕ ЧАСТИ

Схема запчастей Komatsu WA600-6 - БЛОКИРОВКА И КРЫШКИ(ДЛЯ ПЕРЕДН. И ЗАДН. РАМА)(№-) ОСНОВНАЯ РАМА И ЕЕ ЧАСТИ
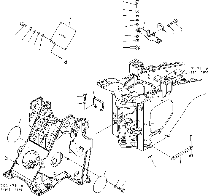
1
2
3
4
5
6
7
7
8
9
10
11
12
13
14
15
16
17
18
19
20
20
21
21
22
23
24
25
26
27
FIT
1:1
100%

Артикул

Название

Примечание

Количество

1

426-54-34151

COVER

SN: 60001-UP

1шт.

2

01010-D1250

BOLT

SN: 60001-UP

4шт.

3

01643-71232

WASHER

SN: 60001-UP

4шт.

4

421-46-34420

COLLAR

SN: 60001-UP

4шт.

5

415-46-11380

CUSHION

SN: 60001-UP

4шт.

6

01640-22232

WASHER

SN: 60001-UP

4шт.

7

426-54-34160

COVER

SN: 60001-UP

2шт.

8

01010-D1225

BOLT

SN: 60001-UP

8шт.

9

01643-71232

WASHER

SN: 60001-UP

8шт.

10

426-46-34111

BAR

SN: 60001-UP

1шт.

11

426-46-32640

PIN

SN: 60001-UP

1шт.

12

426-46-12330

PIN

SN: 60001-UP

1шт.

13

04025-01080

PIN

SN: 60001-UP

1шт.

14

426-46-12280

PIN

SN: 60001-UP

1шт.

15

426-46-32410

GUARD

SN: 60001-UP

1шт.

16

01010-D2045

BOLT

SN: 60001-UP

2шт.

17

01643-72060

WASHER

SN: 60001-UP

2шт.

18

426-46-32460

BRACKET

SN: 60001-UP

1шт.

19

01010-81680

BOLT

SN: 60001-UP

4шт.

20

426-46-32480

WASHER

SN: 60001-UP

8шт.

21

428-62-14580

CUSHION

SN: 60001-UP

8шт.

22

428-62-14590

CUSHION

SN: 60001-UP

4шт.

23

428-62-14570

SPACER

SN: 60001-UP

4шт.

24

426-46-32450

GUARD

SN: 60001-UP

1шт.

25

01010-81660

BOLT

SN: 60001-UP

4шт.

26

01643-31645

WASHER

SN: 60001-UP

4шт.

27

418-46-12310

SHIM, 1.0MM

SN: 60001-UP

20шт.

Выбрано товаров: 27