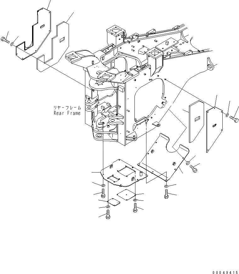
Запчасти Komatsu WA600-6 БЛОКИРОВКА И КРЫШКИ(НИЖН. ЗАЩИТА) (ДЛЯ ЕС)(№-) ОСНОВНАЯ РАМА И ЕЕ ЧАСТИ

Схема запчастей Komatsu WA600-6 - БЛОКИРОВКА И КРЫШКИ(НИЖН. ЗАЩИТА) (ДЛЯ ЕС)(№-) ОСНОВНАЯ РАМА И ЕЕ ЧАСТИ
1
2
3
4
5
6
7
7
8
9
10
11
12
13
14
15
16
17
18
19
20
21
FIT
1:1
100%

Артикул

Название

Примечание

Количество

1

426-971-3211

GUARD

SN: 60001-UP

1шт.

2

01010-D1650

BOLT

SN: 60001-UP

4шт.

3

01643-71645

WASHER

SN: 60001-UP

4шт.

4

426-971-3221

GUARD

SN: 60001-UP

1шт.

5

01010-D1650

BOLT

SN: 60001-UP

5шт.

6

01010-D1660

BOLT

SN: 60001-UP

2шт.

7

01643-71645

WASHER

SN: 60001-UP

7шт.

8

426-971-2140

PLATE

SN: 60001-UP

1шт.

9

01010-D1235

BOLT

SN: 60001-UP

4шт.

10

01643-71232

WASHER

SN: 60001-UP

4шт.

11

426-971-3131

PLATE

SN: 60001-UP

1шт.

12

01010-D1235

BOLT

SN: 60001-UP

4шт.

13

01643-71232

WASHER

SN: 60001-UP

4шт.

14

426-Z90-4212

COVER

SN: 60001-UP

1шт.

15

01010-D1220

BOLT

SN: 60001-UP

5шт.

16

01643-71232

WASHER

SN: 60001-UP

5шт.

17

426-Z90-4222

COVER

SN: 60001-UP

1шт.

18

01010-D1220

BOLT

SN: 60001-UP

8шт.

19

01643-71232

WASHER

SN: 60001-UP

8шт.

20

426-Z90-4230

SHEET

SN: 60001-UP

1шт.

21

426-Z90-4240

SHEET

SN: 60001-UP

1шт.

Выбрано товаров: 21