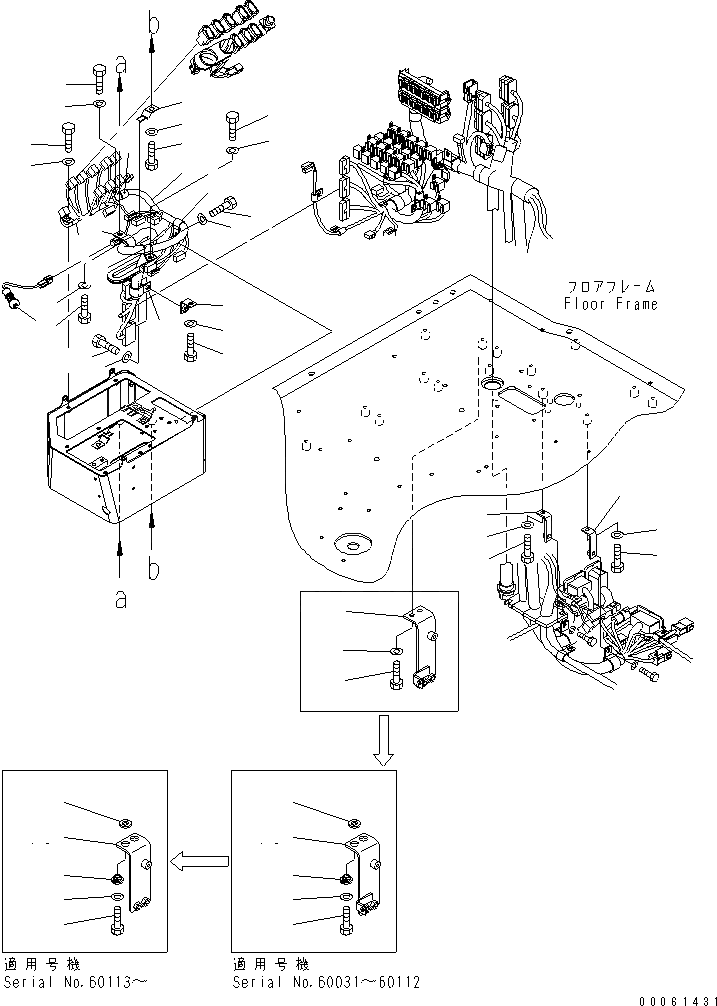
Запчасти Komatsu WA600-6 ПОЛ SUB (ПРАВ. КОНСОЛЬ Э/ПРОВОДКА)(№-) КАБИНА ОПЕРАТОРА И СИСТЕМА УПРАВЛЕНИЯ

Схема запчастей Komatsu WA600-6 - ПОЛ SUB (ПРАВ. КОНСОЛЬ Э/ПРОВОДКА)(№-) КАБИНА ОПЕРАТОРА И СИСТЕМА УПРАВЛЕНИЯ
1
2
3
4
5
5
5
6
6
6
6
6
7
7
7
7
7
8
9
10
11
12
13
14
15
16
16
16
17
17
17
18
18A
18A
18B
18B
18C
18C
19
19
20
20
21
21
FIT
1:1
100%

Артикул

Название

Примечание

Количество

1

426-06-32723

WIRING HARNESS

SN: 60001-UP

1шт.

2

04434-50608

CLIP

SN: 60001-UP

1шт.

3

04434-51508

CLIP

SN: 60001-UP

1шт.

4

04434-51708

CLIP

SN: 60001-UP

2шт.

5

04434-52511

CLIP

SN: 60001-UP

2шт.

6

01010-80816

BOLT

SN: 60001-UP

4шт.

7

01643-30823

WASHER

SN: 60001-UP

4шт.

8

01010-81020

BOLT

SN: 60001-UP

1шт.

9

01643-31032

WASHER

SN: 60001-UP

1шт.

10

42A-16-11210

PLATE

SN: 60001-UP

1шт.

11

01010-81020

BOLT

SN: 60001-UP

1шт.

12

01643-31032

WASHER

SN: 60001-UP

1шт.

13

08193-21012

CLIP

SN: 60001-UP

1шт.

14

01010-81016

BOLT

SN: 60001-UP

1шт.

15

01643-31032

WASHER

SN: 60001-UP

1шт.

16

426-06-32623

BRACKET

SN: 60113-UP

1шт.

16

426-06-32622

BRACKET

SN: 60035-60112

1шт.

16

0

BRACKET

SN: 60001-60034

1шт.

17

01010-81030

BOLT

SN: 60035-UP

1шт.

17

01010-81020

BOLT

SN: 60001-60034

2шт.

18

01643-31032

WASHER

SN: 60001-60034

2шт.

18A

421-62-23710

CUSHION

SN: 60035-UP

2шт.

18B

421-62-23350

CUSHION

SN: 60035-UP

2шт.

18C

144-854-1890

WASHER

SN: 60035-UP

2шт.

19

425-03-11420

PLATE

SN: 60001-UP

3шт.

20

01010-81025

BOLT

SN: 60001-UP

1шт.

21

01643-31032

WASHER

SN: 60001-UP

1шт.

Выбрано товаров: 27