Запчасти Komatsu WA600-6 ПОЛ SUB (ПРАВ. КОНСОЛЬ Э/ПРОВОДКА)(№7-) КАБИНА ОПЕРАТОРА И СИСТЕМА УПРАВЛЕНИЯ

Схема запчастей Komatsu WA600-6 - ПОЛ SUB (ПРАВ. КОНСОЛЬ Э/ПРОВОДКА)(№7-) КАБИНА ОПЕРАТОРА И СИСТЕМА УПРАВЛЕНИЯ
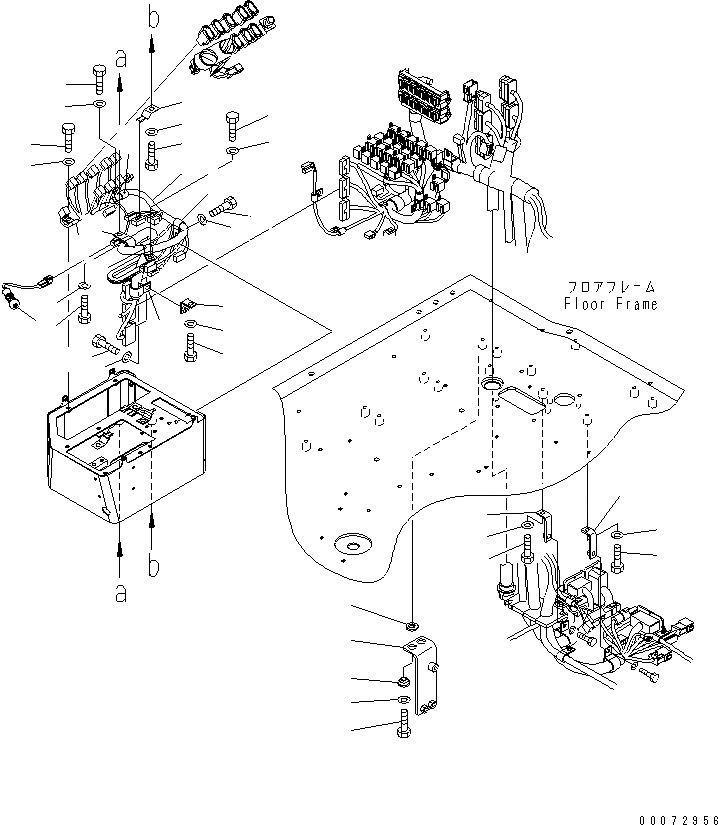
1
2
3
4
5
5
5
6
6
6
6
6
7
7
7
7
7
8
9
10
11
12
13
14
15
16
17
18
19
20
21
21
22
22
23
23
FIT
1:1
100%

Артикул

Название

Примечание

Количество

1

426-06-32724

WIRING HARNESS

SN: 60517-UP

1шт.

1

0

WIRING HARNESS

SN: 60217-60516

1шт.

2

04434-50608

CLIP

SN: 60217-UP

1шт.

3

04434-51508

CLIP

SN: 60217-UP

1шт.

4

04434-51508

CLIP

SN: 60633-UP

2шт.

4

04434-51708

CLIP

SN: 60217-60632

2шт.

5

04434-52511

CLIP

SN: 60217-UP

2шт.

6

01010-80816

BOLT

SN: 60217-UP

4шт.

7

01643-30823

WASHER

SN: 60217-UP

4шт.

8

01010-81020

BOLT

SN: 60217-UP

1шт.

9

01643-31032

WASHER

SN: 60217-UP

1шт.

10

42A-16-11210

PLATE

SN: 60217-UP

1шт.

11

01010-81020

BOLT

SN: 60217-UP

1шт.

12

01643-31032

WASHER

SN: 60217-UP

1шт.

13

08193-31012

CLIP

SN: 60633-UP

1шт.

13

08193-21012

CLIP

SN: 60217-60632

1шт.

14

01010-81016

BOLT

SN: 60217-UP

1шт.

15

01643-31032

WASHER

SN: 60217-UP

1шт.

16

426-06-32623

BRACKET

SN: 60217-UP

1шт.

17

01010-81030

BOLT

SN: 60217-UP

2шт.

18

421-62-23710

CUSHION

SN: 60217-UP

2шт.

19

421-62-23350

CUSHION

SN: 60217-UP

2шт.

20

144-854-1890

WASHER

SN: 60217-UP

2шт.

21

425-03-11420

PLATE

SN: 60217-UP

3шт.

22

01010-81020

BOLT

SN: 60217-UP

2шт.

23

01643-31032

WASHER

SN: 60217-UP

2шт.

Выбрано товаров: 26