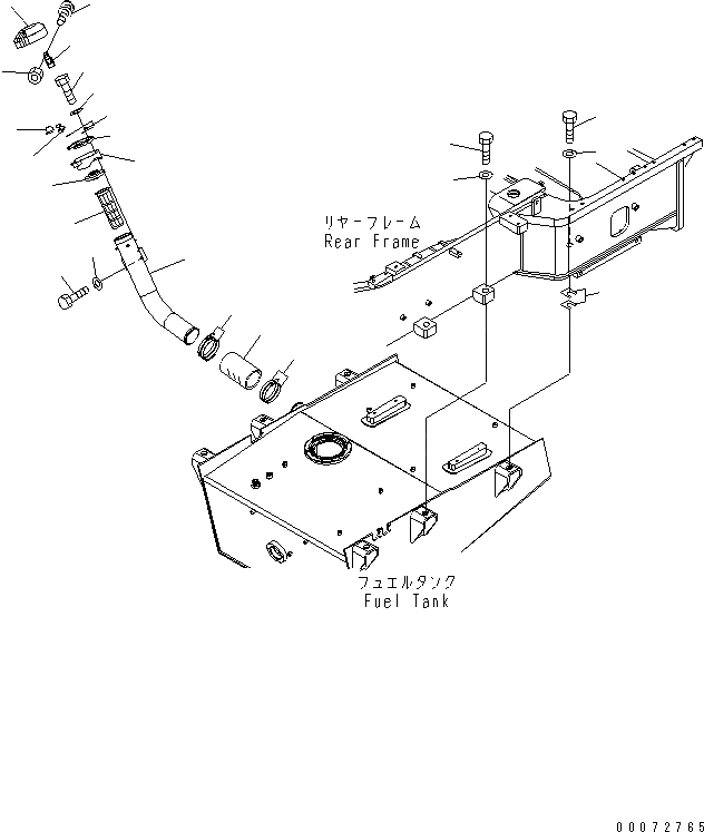
Запчасти Komatsu WA600-6 ТОПЛИВН. НАПОЛНИТЕЛЬ(№7-) ТОПЛИВН. БАК. AND КОМПОНЕНТЫ

Схема запчастей Komatsu WA600-6 - ТОПЛИВН. НАПОЛНИТЕЛЬ(№7-) ТОПЛИВН. БАК. AND КОМПОНЕНТЫ
1
2
3
3
4
5
6
7
8
8
8
8
9
10
11
12
13
14
15
16
17
17
18
19
FIT
1:1
100%

Артикул

Название

Примечание

Количество

1

01010-63090

BOLT

SN: 60217-UP

2шт.

2

01011-63015

BOLT

SN: 60217-UP

4шт.

3

01643-33080

WASHER

SN: 60217-UP

6шт.

4

416-855-1190

SHIM, 0.5MM

SN: 60217-UP

10шт.

5

426-04-31250

TUBE

SN: 60217-UP

1шт.

6

07056-18422

STRAINER

SN: 60217-UP

1шт.

7

423-04-11362

CAP

SN: 60217-UP

1шт.

7

417-04-21230

PACKING

SN: 60217-UP

1шт.

8

421-04-31161

COVER

SN: 60217-UP

1шт.

9

01023-10308

SCREW

SN: 60217-UP

4шт.

10

01580-10302

NUT

SN: 60217-UP

2шт.

11

421-04-31280

HINGE

SN: 60217-UP

1шт.

12

421-04-31210

SEAL

SN: 60217-UP

1шт.

13

421-04-31270

HOOK

SN: 60217-UP

1шт.

14

01010-80616

BOLT

SN: 60217-UP

3шт.

15

01643-30623

WASHER

SN: 60217-UP

3шт.

16

07260-29920

HOSE

SN: 60217-UP

1шт.

17

07299-00120

CLAMP

SN: 60217-UP

4шт.

18

01010-D1225

BOLT

SN: 60217-UP

2шт.

19

01643-71232

WASHER

SN: 60217-UP

2шт.

Выбрано товаров: 20