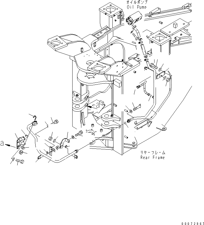
Запчасти Komatsu WA600-6 ТОРМОЗНАЯ ГИДРОЛИНИЯ (ЛИНИЯ ОХЛАЖДЕНИЯ¤ ЗАДН.) (ПЕРЕДН. ВСАСЫВ.) (С ТОРМОЗ. ОХЛАЖД-Е)(№7-) КАБИНА ОПЕРАТОРА И СИСТЕМА УПРАВЛЕНИЯ

Схема запчастей Komatsu WA600-6 - ТОРМОЗНАЯ ГИДРОЛИНИЯ (ЛИНИЯ ОХЛАЖДЕНИЯ¤ ЗАДН.) (ПЕРЕДН. ВСАСЫВ.) (С ТОРМОЗ. ОХЛАЖД-Е)(№7-) КАБИНА ОПЕРАТОРА И СИСТЕМА УПРАВЛЕНИЯ
1
2
3
4
5
6
7
8
9
10
11
12
13
14
15
16
17
18
19
20
21
22
23
24
25
26
27
28
29
30
31
32
33
FIT
1:1
100%

Артикул

Название

Примечание

Количество

1

426-43-37771

TUBE

SN: 60217-UP

1шт.

2

426-43-38810

BRACKET

SN: 60217-UP

1шт.

3

01010-81225

BOLT

SN: 60217-UP

4шт.

4

01643-31232

WASHER

SN: 60217-UP

4шт.

5

07283-53444

SEAT

SN: 60217-UP

2шт.

6

07283-33450

CLIP

SN: 60217-UP

2шт.

7

01643-31032

WASHER

SN: 60217-UP

4шт.

8

01597-01009

NUT

SN: 60217-UP

4шт.

9

426-43-37791

PLATE

SN: 60217-UP

1шт.

10

01010-81030

BOLT

SN: 60217-UP

1шт.

11

01643-31032

WASHER

SN: 60217-UP

1шт.

12

07283-33450

CLIP

SN: 60217-UP

1шт.

13

07283-53444

SEAT

SN: 60217-UP

1шт.

14

01643-31032

WASHER

SN: 60217-UP

2шт.

15

01597-01009

NUT

SN: 60217-UP

2шт.

16

426-43-39180

PLATE

SN: 60217-UP

1шт.

17

01010-81025

BOLT

SN: 60217-UP

2шт.

18

01643-31032

WASHER

SN: 60217-UP

2шт.

19

07283-33450

CLIP

SN: 60217-UP

1шт.

20

07283-53444

SEAT

SN: 60217-UP

1шт.

21

01643-31032

WASHER

SN: 60217-UP

2шт.

22

01597-01009

NUT

SN: 60217-UP

2шт.

23

426-43-37762

TUBE

SN: 60217-UP

1шт.

24

07000-B3035

O-RING

SN: 60217-UP

1шт.

25

02896-61018

O-RING

SN: 60217-UP

1шт.

26

01010-81040

BOLT

SN: 60217-UP

2шт.

27

01643-31032

WASHER

SN: 60217-UP

2шт.

28

426-43-37840

PLATE

SN: 60217-UP

1шт.

29

01010-81025

BOLT

SN: 60217-UP

2шт.

30

01643-31032

WASHER

SN: 60217-UP

2шт.

31

07283-33442

CLIP

SN: 60217-UP

1шт.

32

01643-31032

WASHER

SN: 60217-UP

2шт.

33

01597-01009

NUT

SN: 60217-UP

2шт.

Выбрано товаров: 33