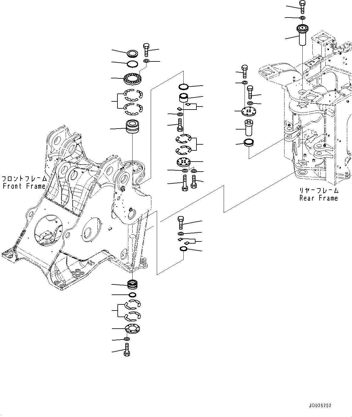
Запчасти Komatsu WA600-6 ПАЛЕЦ(№8-) HINGE ПАЛЕЦ

Схема запчастей Komatsu WA600-6 - ПАЛЕЦ(№8-) HINGE ПАЛЕЦ
32
10
5
9
20
6
4
7
1
25
31
24
2
15
8
21
3
12
28
23
27
14
26
13
22
11
15
17
33
16
19
18
35
34
37
36
30
29
FIT
1:1
100%

Артикул

Название

Примечание

Количество

1

426-46-31320

Bearing

SN: 60638-UP

1шт.

2

426-09-11320

Seal, Dust

SN: 60638-UP

1шт.

3

426-46-11530

Plate

SN: 60638-UP

2шт.

4

01010-80616

Bolt

SN: 60638-UP

4шт.

5

01643-30623

Washer

SN: 60638-UP

4шт.

6

426-09-11110

Seal, Dust

SN: 60638-UP

1шт.

7

426-46-31940

Retainer

SN: 60638-UP

1шт.

8

426-46-11471

Shim, T=0.1mm

SN: 60638-UP

8шт.

8

426-46-11481

Shim, T=0.5mm

SN: 60638-UP

8шт.

9

01010-61655

Bolt

SN: 60638-UP

12шт.

10

01643-31645

Washer

SN: 60638-UP

12шт.

11

425-46-11560

Bearing

SN: 60638-UP

1шт.

12

426-46-11530

Plate

SN: 60638-UP

2шт.

13

01010-80616

Bolt

SN: 60638-UP

4шт.

14

01643-30623

Washer

SN: 60638-UP

4шт.

15

426-09-11330

Seal, Dust

SN: 60638-UP

1шт.

16

426-46-11240

Retainer

SN: 60638-UP

1шт.

17

426-46-11251

Shim, T=0.1mm

SN: 60638-UP

8шт.

17

426-46-11261

Shim, T=0.5mm

SN: 60638-UP

8шт.

18

01010-61655

Bolt

SN: 60638-UP

6шт.

19

01643-31645

Washer

SN: 60638-UP

6шт.

20

426-46-31930

Bushing

SN: 60638-UP

1шт.

21

426-46-31920

Bushing

SN: 60638-UP

1шт.

22

426-46-31911

Pin

SN: 60638-UP

1шт.

23

426-46-31950

Retainer

SN: 60638-UP

1шт.

24

01011-62235

Bolt

SN: 60638-UP

4шт.

25

01643-32260

Washer

SN: 60638-UP

4шт.

26

01010-62070

Bolt

SN: 60638-UP

6шт.

27

01643-32060

Washer

SN: 60638-UP

6шт.

28

426-46-31850

Shim, T=0.3mm

SN: 60638-UP

6шт.

28

426-46-31860

Shim, T=0.4mm

SN: 60638-UP

4шт.

28

426-46-31870

Shim, T=0.5mm

SN: 60638-UP

8шт.

29

01010-62035

Bolt

SN: 60638-UP

1шт.

30

01643-32060

Washer

SN: 60638-UP

1шт.

31

426-46-31960

Shaft

SN: 60638-UP

1шт.

32

426-46-31970

Bushing

SN: 60638-UP

1шт.

33

426-46-31240

Retainer

SN: 60638-UP

1шт.

34

01010-62060

Bolt

SN: 60638-UP

4шт.

35

01643-32060

Washer

SN: 60638-UP

4шт.

36

01010-61665

Bolt

SN: 60638-UP

6шт.

37

01643-31645

Washer

SN: 60638-UP

6шт.

Выбрано товаров: 41