Запчасти Komatsu WA600-6 ПОЛ, РУЛЕВ. КОЛОН. (№8-) ПОЛ, AJSS, ЕС БЕЗОПАСН. REGULATION, VHMS, ORBCOMM, ПОЛУ-АВТОМАТИЧ. DIGGING

Схема запчастей Komatsu WA600-6 - ПОЛ, РУЛЕВ. КОЛОН. (№8-) ПОЛ, AJSS, ЕС БЕЗОПАСН. REGULATION, VHMS, ORBCOMM, ПОЛУ-АВТОМАТИЧ. DIGGING
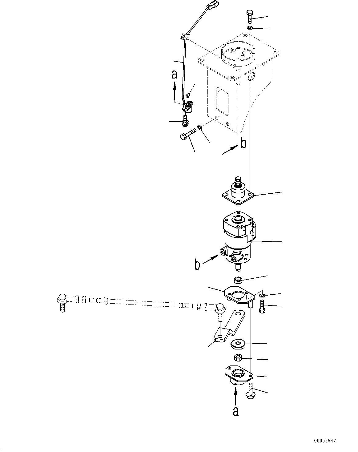
2
3
6
5
16
17
18
15
14
13
12
11
10
9
8
7
1
4
FIT
1:1
100%

Артикул

Название

Примечание

Количество

1

426-40-32912

Column

SN: 60638-UP

1шт.

2

02010-70625

Bolt, Unified

SN: 60638-UP

4шт.

3

01640-21016

Washer

SN: 60638-UP

4шт.

4

42C-40-12550

Valve Assembly, Pilot

SN: 60638-UP

1шт.

5

01010-81045

Bolt

SN: 60638-UP

2шт.

6

01643-31032

Washer

SN: 60638-UP

2шт.

7

426-40-32430

Bracket

SN: 60638-UP

1шт.

8

02010-70519

Bolt, Unified

SN: 60638-UP

3шт.

9

01640-20816

Washer

SN: 60638-UP

3шт.

10

42C-40-12540

Spacer

SN: 60638-UP

1шт.

11

426-40-32420

Plate

SN: 60638-UP

1шт.

12

42C-40-12460

Washer

SN: 60638-UP

1шт.

13

01580-11613

Nut

SN: 60638-UP

1шт.

14

426-40-32442

Bracket

SN: 60638-UP

1шт.

15

01435-00816

Bolt

SN: 60638-UP

2шт.

16

56B-06-11630

Sensor, Potentiometer

SN: 60638-UP

1шт.

17

01023-60414

Screw

SN: 60638-UP

2шт.

18

427-S33-3190

Spring

SN: 60638-UP

1шт.

Выбрано товаров: 18