Запчасти Komatsu WA600-6 КАПОТ, ОТСЕК ДВИГАТЕЛЯКРЫШКА(/) (№8-) КАПОТ, VHMS, PM SERVICE СОЕДИН-Е, С ЗАМОК КРЫШКИ, С ЗАДН. КРЫЛО

Схема запчастей Komatsu WA600-6 - КАПОТ, ОТСЕК ДВИГАТЕЛЯКРЫШКА(/) (№8-) КАПОТ, VHMS, PM SERVICE СОЕДИН-Е, С ЗАМОК КРЫШКИ, С ЗАДН. КРЫЛО
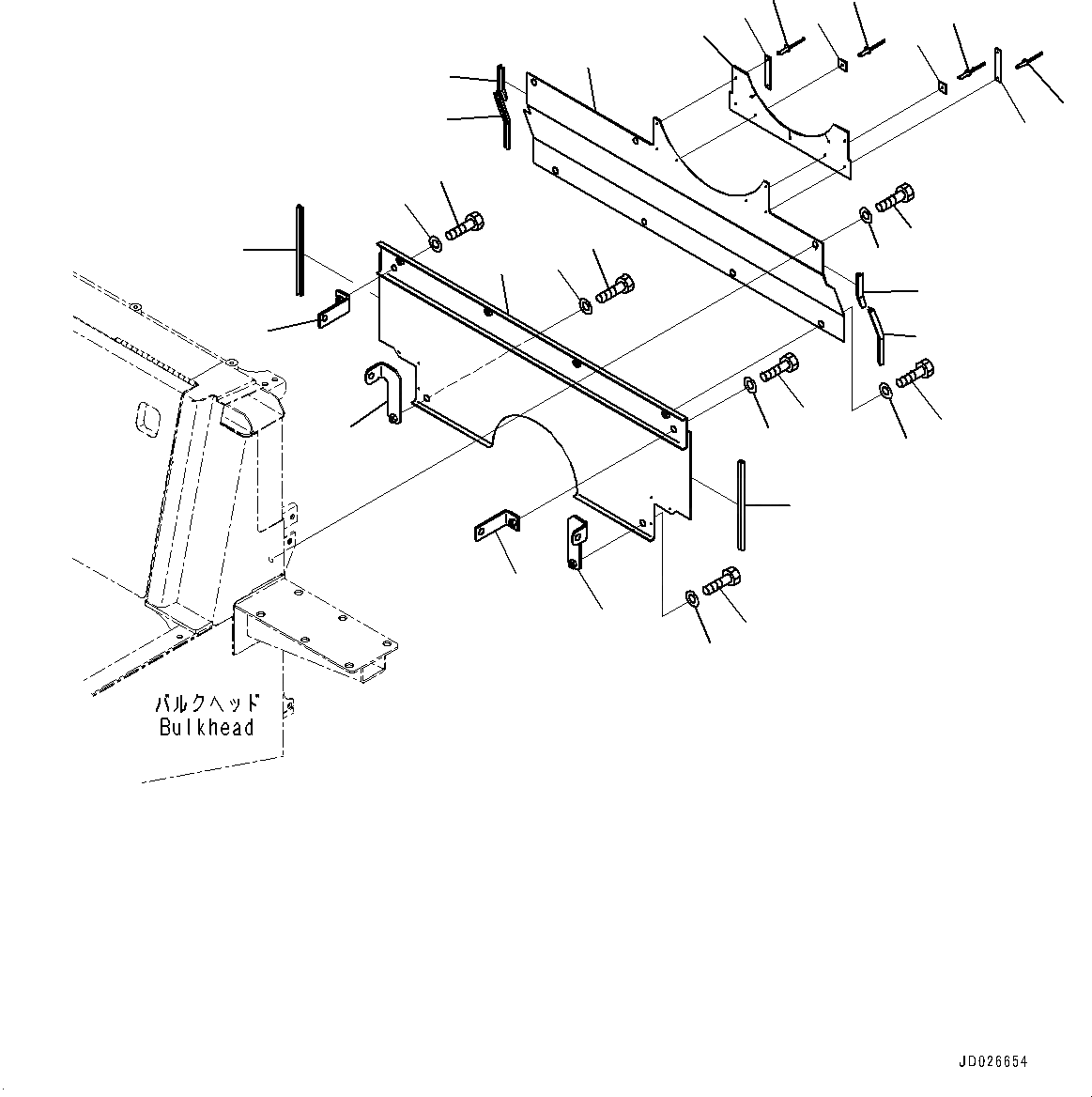
1
2
3
4
6
7
8
9
10
11
12
13
14
15
16
18
16
17
17
3
4
4
4
2
5
8
7
18
15
14
9
11
10
FIT
1:1
100%

Артикул

Название

Примечание

Количество

1

426-54-41160

Rubber

SN: 60638-UP

1шт.

2

426-54-13720

Plate

SN: 60638-UP

2шт.

3

427-54-13881

Plate

SN: 60638-UP

2шт.

4

362-56-41740

Rivet

SN: 60638-UP

6шт.

5

426-54-41170

Plate

SN: 60638-UP

1шт.

6

426-54-41182

Plate

SN: 60638-UP

1шт.

7

01010-81225

Bolt

SN: 60638-UP

7шт.

8

01643-31232

Washer

SN: 60638-UP

7шт.

9

426-54-41250

Bracket

SN: 60638-UP

2шт.

10

01010-81225

Bolt

SN: 60638-UP

2шт.

11

01643-31232

Washer

SN: 60638-UP

2шт.

12

426-54-41440

Bracket

SN: 60638-UP

1шт.

13

426-54-41450

Bracket

SN: 60638-UP

1шт.

14

01010-81230

Bolt

SN: 60638-UP

2шт.

15

01643-31232

Washer

SN: 60638-UP

2шт.

16

426-54-41220

Seal, Door

SN: 60638-UP

2шт.

17

426-54-41230

Seal, Door

SN: 60638-UP

2шт.

18

426-54-41240

Seal, Door

SN: 60638-UP

2шт.

Выбрано товаров: 18