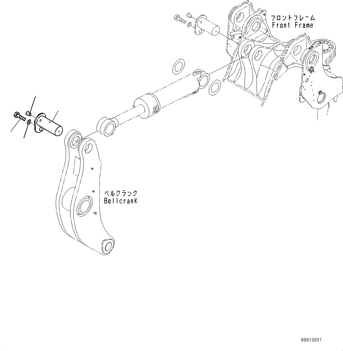
Запчасти Komatsu WA600-6 РУКОЯТЬ И BELL CRANK, ПАЛЕЦ (№8-) РУКОЯТЬ И BELL CRANK, 99MM РУКОЯТЬ, С АВТОМАТИЧ. СМАЗКОЙ СИСТЕМА

Схема запчастей Komatsu WA600-6 - РУКОЯТЬ И BELL CRANK, ПАЛЕЦ (№8-) РУКОЯТЬ И BELL CRANK, 99MM РУКОЯТЬ, С АВТОМАТИЧ. СМАЗКОЙ СИСТЕМА
1
2
3
4
FIT
1:1
100%

Артикул

Название

Примечание

Количество

1

426-70-31940

Pin

SN: 60638-UP

1шт.

2

01010-82035

Bolt

SN: 60638-UP

1шт.

3

427-70-11290

Washer

SN: 60638-UP

1шт.

4

07049-03342

Plug, Cork

SN: 60638-UP

1шт.

Выбрано товаров: 4