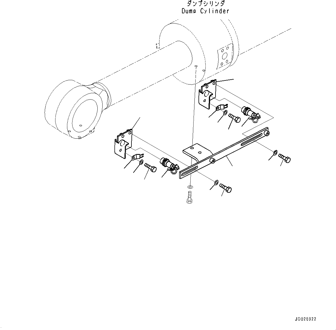
Запчасти Komatsu WA600-6 ГИДРОЦИЛИНДР КОВША, ПОЗИЦИОНЕР (№8-) ГИДРОЦИЛИНДР КОВША, 99MM РУКОЯТЬ

Схема запчастей Komatsu WA600-6 - ГИДРОЦИЛИНДР КОВША, ПОЗИЦИОНЕР (№8-) ГИДРОЦИЛИНДР КОВША, 99MM РУКОЯТЬ
1
6
7
5
2
3
4
8
4
3
5
7
6
1
2
FIT
1:1
100%

Артикул

Название

Примечание

Количество

1

56B-06-15610

Switch

SN: 60638-UP

2шт.

2

426-43-39230

Plate

SN: 60638-UP

2шт.

3

01010-81235

Bolt

SN: 60638-UP

4шт.

4

01643-31232

Washer

SN: 60638-UP

4шт.

5

08193-20010

Clip

SN: 60638-UP

2шт.

6

01010-81020

Bolt

SN: 60638-UP

2шт.

7

01643-31032

Washer

SN: 60638-UP

2шт.

8

426-43-39221

Plate

SN: 60638-UP

1шт.

Выбрано товаров: 8