Запчасти Komatsu WA600-6 ГИДРОТРАНСФОРМАТОР И ТРАНСМИССИЯ, МАСЛЯНЫЙ ФИЛЬТР ТРАНСМИССИИ (№8-) ГИДРОТРАНСФОРМАТОР И ТРАНСМИССИЯ, С ТОРМОЗ. МАСЛ. СИСТЕМА ОХЛАЖДЕНИЯ, PM SERVICE СОЕДИН-Е, С ЭКСТРЕНН. УПРАВЛ.

Схема запчастей Komatsu WA600-6 - ГИДРОТРАНСФОРМАТОР И ТРАНСМИССИЯ, МАСЛЯНЫЙ ФИЛЬТР ТРАНСМИССИИ (№8-) ГИДРОТРАНСФОРМАТОР И ТРАНСМИССИЯ, С ТОРМОЗ. МАСЛ. СИСТЕМА ОХЛАЖДЕНИЯ, PM SERVICE СОЕДИН-Е, С ЭКСТРЕНН. УПРАВЛ.
1
2
3
4
5
6
2
FIT
1:1
100%

Артикул

Название

Примечание

Количество

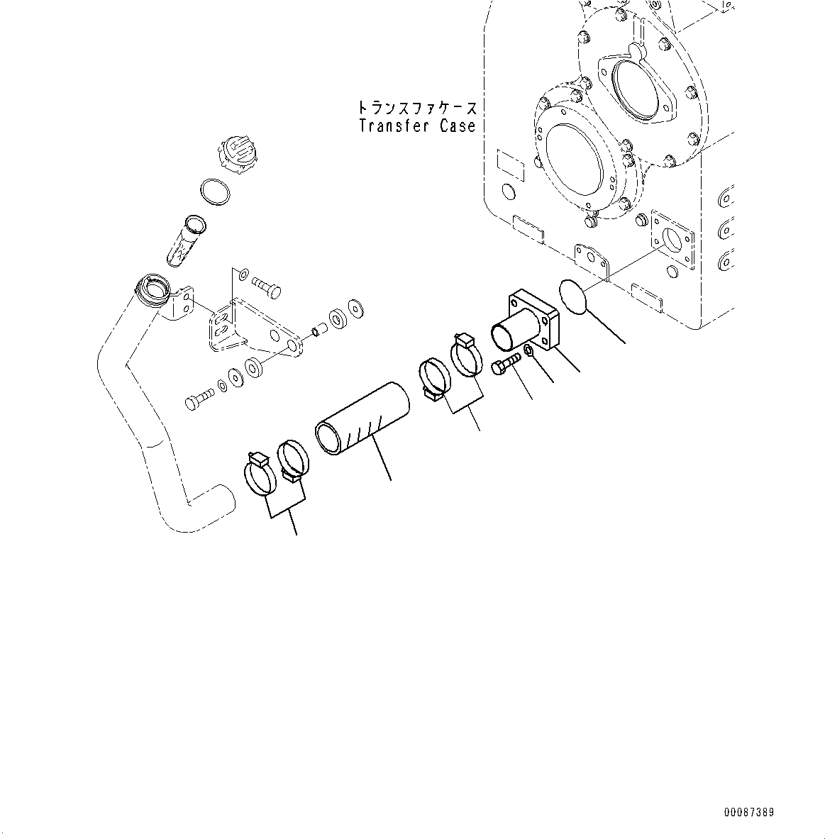
1

07260-25820

Hose

SN: 60638-UP

1шт.

2

07289-00070

Clamp

SN: 60638-UP

4шт.

3

426-15-48122

Tube

SN: 60638-UP

1шт.

4

01010-81245

Bolt

SN: 60638-UP

4шт.

5

01643-31232

Washer

SN: 60638-UP

4шт.

6

07000-72075

O-ring

SN: 60638-UP

1шт.

Выбрано товаров: 6